现代远程教育学习指导书
计算机辅助机械设计
北京交通大学远程与继续教育学院
目 录
1.如何使用学习指导书 3
1.1如何利用各种学习资源 3
1.2欢迎学习本课程 3
1.3课程内容学习指导 3
1.4如何准备考试 4
2.如何利用各种学习资源 4
2.1可以随身携带的——纸介教材 4
2.2虚拟的课堂——网络课程 4
2.3在线学习服务——辅导教师 5
2.4身边的服务一服务中心面授辅导 6
2.5随时随地的支持服务 6
3、欢迎学习本课程 7
3.1课程目标 7
3.2课程意义 7
3.3课程内容 7
3.4时间分配 8
4、课程内容学习指导 9
第1章 AutoCAD设计基础 9
第2章 AutoCAD绘图平面图形 28
第3章 绘制形体视图 45
第4章 尺寸标注 62
第5章 绘制机械零件图 85
5、如何准备考试 103
6、其他参考资料 103
7、自测题参考答案 103
亲爱的同学,很高兴你选择学习指导书作为你的学习伙伴。对于“学习指导书”这个名称你或许感到很陌生,没关系,让我们一起来了解她可以给你带来哪些帮助。
在网络学习的过程中,你一定有很多疑惑:没有了传统的课堂、没有了黑板、没有了教师的督促,学习有了很大的自由度,一时不知如何自学,不知如何复习;虽然知道“学习”很重要,但忙碌的工作、繁重的家务占据了大部分时间;有时惰性也干扰了学习……
所有这些,相信是每个远程学习者都会遇到的困难。工作、家人、学习一样都不能少,但是学习没有捷径,如何高效地学习呢?别着急,学习指导书会给你提供帮助。我们的任课老师,根据自己多年的教学经验,编写了这本“学习指导书”,他们用通俗易懂的语言,提炼课程知识,告诉你哪些是重点、哪些是难点,并通过多样的学习活动,帮助你轻松掌握课程内容。这本书就像是辅导教师的化身,她能够指导你高效地学习,让你发现学习其实是一件很容易的事。
学院提供的学习资料已经非常丰富了,很多资料还没有看过,现又多了一本书,是不是又增加了负担?有了学习指导书是不是就可以不用看其他的学习资料了?不是的,学习指导书不但没有增加你的负担,还会教你如何将其他学习资料有机地利用起来,帮助你提高学习效率,有效地利用时间。切记:仅有一本学习指导书并不能解决所有的学习问题,你需要跟随书中所讲的去做,利用周围的学习资源,这样才能事半功倍。
为了更好地使用学习指导书,请你仔细阅读这本书的主要内容。
这里,老师向你介绍了各类学习资料及其使用方法:如何学习教材和课程;如何查找学科专业资源;如何安排自己的学习时间等等。
这部分主要介绍课程性质与地位、课程的主要要求、学习计划与时间的安排等。明确提出“学习目标和要求”,让你对自己的学习有一个清楚的、层次性的把握。有利于你在学习前树立目标,学习后自行检查学习效果。
这部分内容是学习指导书的精髓。辅导教师在认真钻研课程内容的基础上,结合自己的教学经验,对课程内容进行了提炼,通过【知识框架】、【学习目标】、【学习要求】、【案例分析】、【自测题】以及一些简单可行的学习活动,帮助你快速领会和掌握重要知识点。对照【知识框架】你可以快速领会本章的知识结构与各结构间的相互关系。【学习目标】明确告诉你每章需要掌握的重要知识及掌握的程度。【学习要求】是对一章重要知识点的要求与具体分析,有助于你对内容的理解。教师还布置一些简单学习任务,你一定不能忽视这些任务,按照书中的要求去做,在完成任务的同时,你已经掌握了这些知识——学习其实就这么简单。【案例分析】紧扣教材,对教材中的案例给予案例的讲解,帮助你理解和检验自己的分析是否正确。【自测题】是根据课程内容精心设计的练习题,帮助你巩固所学的知识。如果你不看书就能轻松完成,就奖励一下自己。如果有的题目答不出来,也不要紧,查查书,写出正确答案。
学习效果是通过考试来检验的,如何把自己所学的知识在考场上发挥得淋漓尽致,顺利通过考试,是每个学生都关心的。这部分内容将重点指导你如何进行考试复习。
其他参考资源
在“其他参考资源”中,老师还为你提供相关的参考书目、网络资源信息、相关学科的权威学者介绍等,以拓展大家的课程知识。
赶快开始阅读吧,让你的学习更加轻松,更加高效!
为了给你的远程学习带来更大的方便,帮助你了解更多学科知识,学院提供了各种形式的学习材料和学习服务。在有限的学习时问里,你可能不会用到所有的资源,但是绝不能忽视它们的存在,并且认真了解每一类学习资料能够给你带来的帮助,以及如何获得这些帮助。所以你必须仔细阅读下面的内容,牢记在心,在需要的时候迅速找到它们。
在远程学习中,纸介教材仍然起着很重要的作用。它可以随身携带,可以在地铁里、公交车上拿出来阅读,还可以在需要的地方做笔记。可以说纸介教材是最方便的学习材料,这也是我们编写纸介学习指导书的一个主要目的。
学院提供的纸介教材和学习指导书与下面讲到的网络课程是紧密结合、相辅相成的。对于提供学习指导书的课程,你可以在学习指导书的指引下学习教材和网络课程,这样可以为你节省很多时间;没有提供学习指导书的课程,你可以以网络课程为主,以教材为辅来进行自学。通过以下途径可以获得纸介教材:
Ø 在每次网上选课时订购教材;
Ø 如果错过选课时间,可以和学院的学习支持联系咨询购买事宜;
Ø 有些已毕业的学生会以低价转让教材,这是一个省钱的渠道,你可以多留意学院论坛上的帖子。
远程学习虽然没有师生共处的教室,但集学习栏目和交互功能为一体的网络课程是属于你一个人的虚拟课堂。和传统学习一样,网络课程学习也是课程学习的重要环节。网络课程的学习时间在整门课程的学习时间里要占到60%~70%。在网络课程中,你可以聆听著名高校优秀教师的讲授,可以通过自测栏目检验自己的学习效果,可以在【课程论坛】里进行师生交流。
基于对成本的考虑,网络课程的主要学习栏目被刻录成了光盘。你可以在选课之后,到当地教学服务中心领取学院为你提供的免费课程光盘,这样,在不上网的条件下,也可以进行课程学习。关于网络课程及光盘的使用方法,可以查看《学生手册》。
在本书中提到的“课件”、“课程光盘”含义同“网络课程”。
在传统教学中,每门课程会有一位教师为你进行讲授。而你现在所进行的网络课程学习过程中,除了你在网络课程中看到的主讲教师进行课程讲授外,还有一位教师在幕后为你提供在线学习服务,这位幕后教师就是辅导教师。
辅导教师主要通过网络进行学习指导,答疑解惑。他们凭借扎实的专业知识、丰富的教学经验,以及对远程教学的深刻理解,耐心地引导你如何更好地进行课程学习,如何顺利完成学业。通过以下的说明,你可以基本理解学习平台的基本状况:
本课程学习主要形式: 以学生自学教材、课件为主,辅以导学辅导讲授,配合网上课程讨论、疑难答疑进行。
1、导学:【课程开始会发布〈课程总导学〉,每阶段均会发布1个〈阶段导学〉和4个〈周导学〉,希望大家仔细阅读】
课程开始时,阅读〈课程总导学〉大致浏览教学课件【光盘或“课程学习”(平台)】和教材,整体了解课程学习内容和安排;
每一阶段开始时,按照〈阶段导学〉整体了解本阶段学习安排、学习重点难点等;
每一周开始时,按照〈周导学〉详细要求,观看课件和教材进行本周的学习,并完成指定作业和实验;
2、学习材料:课件【光盘课件或者“课程学习”(平台)】、教材;
3、问题解答:学习过程中遇到的问题,请发布到“课程答疑”(平台),教师将尽快解答;
4、问题讨论:学习过程中遇到的问题需要和同学进行讨论,请发布到“课程论坛”(平台);
5、作业提交:作业请在“离线作业”和“在线作业” (平台)中查看和提交;
6、课程通知:课程的有关通知请及时进入“课程通知”(平台)中查看;
既然选择了网络学习,这种学习方式就要求你必须具有较强的自学能力,因此学院原则上不举办面授,一般会在学期末,组织一次网上课程的实时串讲,你可以在线对老师进行提问。如果你错过了串讲的时间,还可以进行点播重新观看。你可以根据自己的实际情况决定是否参加。如果你有此要求,要关注平台的串讲通知,或者咨询学院的学习支持,以免错过机会。
除了上面提到的这些学习资源和服务,你还可以通过以下方式获得帮助:
Ø 校园——学院网站
学院的网站就是你的校园,你每周至少要登录学院主页http://dispub.njtu.edu.cn/,采用统一分配的用户名与密码登陆网站学习。
Ø 伙伴——热心同学
你的同学遍布全国各地,有上万人与你共同进行网络的学习。课程学习平台、网院课程论坛是学院人气最旺的BBS,既有学习资料的共享,也有学习经验的交流。参加到同学们当中去,既可以帮助你解决学习上的问题,也能克服你在学习上的孤独感。
Ø 短信服务
短信是学院为同学们提供的工具,借助它,你可以知道学院各方面的最新信息,及时参加学院的各项活动。如果你的手机号码有变更,一定要记得上网更新你的联络方式,以免错过重要通知。
Ø 热线电话一010-51686777、51686776
当你在学习过程中遇到困难或不知所措时,别忘了拨打010-51686777、51686776,和蔼可亲的学习支持老师们会为你提供帮助。
《计算机辅助机械设计》是一门专业课,本课程设置的课程目标使学生掌握计算机辅助机械设计的基本概念和基础知识,获得识图与绘图技能;
熟练掌握用AutoCAD软件绘制工程机械图的方法。
本课程是一门理论联系实践,应用性较强的一门课程。
《计算机辅助机械设计》课程是北京交通大学远程教育的专业课之一。在本课程的学习过程中,要求全面、准确地理解和掌握计算机辅助机械设计基本理论和方法。同时,要注重加强理论知识和分析方法的运用,用本课程中所学的知识对机械图样进行绘制与设计。培养具有认真负责的工作态度,严谨细致的工作以及独立工作能力的高素质高水平的计算机辅助设计人才。
《计算机辅助机械设计》全课程共5章,内容涵盖了计算机辅助设计AutoCAD的基础知识以及机械零件图、三视图的分析设计绘制。
课程内容具体内容安排如下:
第1章 AutoCAD设计基础
第1节 启动AutoCAD
第2节 视图缩放的应用
第3节 建立基础样板文件
第4节 使用坐标模式绘制图形
第5节 使用对象捕捉模式绘制图形
第6节 使用极轴追踪模式绘制图形
第2章 绘制平面图形
第1节 绘制平面图形基础
第2节 修剪与删除
第3节 椭圆、圆与圆弧
第4节 阵列、矩形与多边形
第5节 绘制扳手、垫片
第3章 绘制形体视图
第1节 基本立体视图
第2节 平面与立体相交
第3节 绘制叠加式组合体三视图--轴承座
第4节 绘制切割式组合体三视图--导块
第5节 用形体分析法补画视图--支座
第4章 尺寸标注
第1节
建立具有文字样式的样本文件
第2节 建立具有标注样式的样本文件
第3节 平面图形的尺寸标注
第4节 轴承座视图的尺寸标注
第5章 绘制机械零件图
第1节 绘制螺纹
第2节 绘制键与销
第3节 绘制滚动轴承
第4节 图块与标题栏
第5节 图样打印
对于这些学习资源的利用,建议先通读学习指导书的第1、2、3部分。学习课程内容时可按章读指导书——读教材或听光盘讲解。复习时可先读指导书再读考试大纲最后读教材或课件。对于学习过程建议每位学生:观看教学视频抓住重点--查阅电子文字教材与书本文字教材加深理解--观看案例演示--进行自测与实操练习。下面的学习时间分配表供参考。
学习时间分配表
|
章节 |
建议时间 |
|
|
第一章 AutoCAD设计基础 |
第1节 启动AutoCAD 第2节 视图缩放的应用 第3节 建立基础样板文件 第4节 使用坐标模式绘制图形 第5节 使用对象捕捉模式绘制图形 第6节 使用极轴追踪模式绘制图形 |
|
|
第二章 绘制平面图形 |
第1节 绘制平面图形基础 第2节 修剪与删除 第3节 椭圆、圆与圆弧 第4节 阵列、矩形与多边形 第5节 绘制扳手、垫片 |
|
|
第三章 绘制形体视图 |
第1节 基本立体视图 第2节 平面与立体相交 第3节 绘制叠加式组合体三视图--轴承座 第4节 绘制切割式组合体三视图--导块 第5节 用形体分析法补画视图--支座 |
|
|
第四章 尺寸标注 |
第1节 建立具有文字样式的样本文件 第2节 建立具有标注样式的样本文件 第3节 平面图形的尺寸标注 第4节 轴承座视图的尺寸标注 |
|
|
第五章 绘制机械零件图 |
第1节 绘制螺纹 第2节 绘制键与销 第3节 绘制滚动轴承 第4节 图块与标题栏 第5节 图样打印 |
|
|
复习 |
|
|
|
总计 |
|
|
ü 学习目标
通过本章的学习,你应该能够:
l 了解AutoCAD的启动方法、AutoCAD的主要功能及工作界面;
l 掌握线命令的使用;
l 掌握管理AutoCAD图形缩放功能的使用;
l 掌握AutoCAD的命令执行方式及规则;
l 掌握图层的设置与使用方法,并建立基础样本文件;
l 熟练掌握坐标模式、对象捕捉、极轴追踪模式下绘制图形的方法
ü 学习内容
1.启动AutoCAD
2.视图缩放的应用
3.建立基础样板文件
4.使用坐标模式绘制图形
5.使用对象捕捉模式绘制图形
6.使用极轴追踪模式绘制图形
ü 学习重难点
重点:
l 了解AutoCAD的启动方法、AutoCAD的主要功能及工作界面;
l 掌握线命令的使用;
l 掌握管理AutoCAD图形缩放功能的使用;
l 掌握AutoCAD的命令执行方式及规则;
l 掌握图层的设置与使用方法,并建立基础样本文件;
l 熟练掌握坐标模式、对象捕捉、极轴追踪模式下绘制图形的方法。
难点:
l 熟练掌握坐标模式、对象捕捉、极轴追踪模式下绘制图形的方法。
l 建立基础样本文件。
l 图层的设置
ü 学习提示
|
内容 |
学习目的 |
学习要求 |
预备知识 |
|
第1节 启动AutoCAD |
掌握AutoCAD的启动方法;了解AutoCAD的主要功能及工作界面; |
l 正确启动AutoCAD ; l 认识AutoCAD的工作界面并能够了解其主要功能; l 掌握文件操作。 |
无 |
|
第2节 视图缩放的应用 |
掌握管理AutoCAD图形缩放功能的使用 |
l 运用工具条的各项命令进行视图操作; l 运用鼠标和快捷键进行视图操作。 |
AutoCAD工作界面及主要功能 |
|
第3节 建立基础样板文件 |
掌握图层的设置与使用方法,并建立基础样本文件 |
l 对图层进行设置; l 建立基础样本文件 |
AutoCAD工作界面及主要功能及鼠标的使用 |
|
第4节 使用坐标模式绘制图形 |
掌握AutoCAD的命令执行方式及规则;掌握坐标模式下绘制图形的方法。 |
l 熟练使用线命令; l 利用各种坐标定义点的方法绘制图形 |
建立基础样本文件;图层的使用 |
|
第5节 使用对象捕捉模式绘制图形 |
掌握对象捕捉模式下绘制图形的方法。 |
l l熟练使用对象捕捉绘制图形 |
线命令的使用 |
|
第6节使用极轴追踪模式绘制图形 |
掌握极轴追踪模式下绘制图形的方法。 |
l l掌握极轴追踪的设置; l l掌握利用极轴追踪模式确定点的方法 |
AutoCAD工作界面及主要功能以及对象捕捉的使用 |
ü 学习内容
前言
AutoCAD(Auto Computer Aided Design)是美国Autodesk公司首次于1982年开发的自动计算机辅助设计软件,用于二维绘图、详细绘制、设计文档和基本三维设计。现已经成为国际上广为流行的绘图工具。
AutoCAD具有良好的用户界面,通过交互菜单或命令行方式便可以进行各种操作。
AutoCAD具有广泛的适应性,它可以在各种操作系统支持的微型计算机和工作站上运行。
第一节 启动AutoCAD
1.1.1
在Windows平台启动AutoCAD
双击AutoCAD快捷方式图标
,即可进入AutoCAD系统。
说明:以AutoCAD2014经典界面为基本界面,其组成主要由标题栏、菜单栏、工具栏、状态栏、绘图窗口以及文本窗口等几部分组成。

1.1.2 文件操作
文件操作主要包括建立新文件、打开文件、保存文件和关闭文件,这些操作可以通过【文件】下拉菜单或者【快速访问工具条】来完成。
1. 新建文件
单击【标准】工具栏上【新建】按钮执行新建命令
,出现【选择样板】对话框。

2. 保存文件
单击【标准】工具栏上的【保存】按钮
,出现【图形另存为】对话框对话框
提示:AutoCAD可以在文件类型中选择低版本类型,将高版本的文件保存为低版本的文件。
3. 打开文件
单击【标准】工具栏上的【打开】按钮执行打开命令,出现【选择文件】对话框。
提示:要打开多个文件,可按住Ctrl键,分别点选需要打开的文件。
1.1.3 AutoCAD制图体验
1. 要求:
绘制一幅A3图纸边界的边框图形,如图所示,感性地了解AutoCAD2014的绘图环境。
A3:297*420。
2. 操作步骤
步骤一:启动AutoCAD
选择【开始】︱【程序】︱【AutoDesk】︱【AutoCAD2014- Simple Chinese】︱【AutoCAD2014】命令,或单击桌面快捷方式 ,启动AutoCAD
步骤二:新建文件
(1) 选择【文件】︱【新建】命令,出现【选择样板】对话框
(2) 系统打开绘图界面
步骤三:开始绘图
用矩形命令绘制A3边框图
单击【绘图】工具栏上的【矩形】按钮
步骤四:保存
1.1.4 随堂练习
1 观察标题栏
标题栏与其他Windows应用程序类似,标题栏包括控制图标以及窗口的最大化、最小化和关闭按钮,并显示应用程序名和当前图形的名称。
2 观察菜单栏
菜单是调用命令的一种方式。菜单栏以级联的层次结构来组织各个菜单项,并以下拉的形式逐级显示,包含了AutoCAD 大部分操作命令。菜单栏共包含12个主菜单,单击菜单栏中的任意菜单命令,即可弹出相应的下拉菜单,菜单命令的右侧显示的如“CTRL+X”等为快捷键,如图所示。点击每一项下拉菜单条,会弹出相应的下拉菜单。在下拉菜单中,右侧有小三角的菜单项,表示它还有子菜单。
提示:可以执行【工具】|【选项】命令,则打开【选项】对话框,熟悉一下各个标签的内容,进行简单的设置。
3 调用快捷菜单
AutoCAD 还提供了快捷菜单操作,右击后将弹出快捷菜单,快捷菜单的选项因单击时的状态不同而变化,如图所示,一个是无选择对象的快捷菜单,一个是用光标单击选择的对象后再右击弹出的快捷菜单;可利用快捷菜单,快速执行各种命令。
4 熟悉工具栏
工具栏是调用命令的另一种方式,通过工具栏可以直观、快捷地访问一些常用的命令。它包含了执行AutoCAD 命令的常用工具,AutoCAD中共有很多工具栏,常用的操作可以利用工具栏中的命令按钮来完成,如图所示。
工具栏有多个项目,其调用方式是将鼠标放置在工具栏任意按钮上,点击鼠标右键,在弹出的快捷列表中选择需要的工具栏。工具栏采用浮动的方式放置,可以根据需要将其放置在界面的任何位置。
5
了解绘图窗口
绘图窗口类似于手工绘图时的图纸,是AutoCAD中显示、绘制图形的主要场所。在AutoCAD中创建新图形文件或打开已有的图形文件时,都会出现相应的绘图窗口来显示和编辑其内容。
绘图窗口区域没有边界,可以使绘图窗口无限增大或者缩小,无论多大的图形都可以在绘图窗口中绘制,因此用AutoCAD绘制图形通常按照1:1的比例绘制。
6 熟悉光标
当光标位于AutoCAD的绘图窗口时为十字形状,所以又称其为十字光标。十字线的交点为光标的当前位置。AutoCAD的光标用于绘图、选择对象等操作。
光标根据不同的操作状态,显示不同的形状。
7 掌握坐标系
坐标系图标通常位于绘图窗口的左下角,表示当前绘图所使用的坐标系的形式以及坐标方向等。AutoCAD提供有世界坐标系(WorldCoordinate System,WCS)和用户坐标系(User Coordinate System,UCS)两种坐标系。世界坐标系为默认坐标系。
8 观察命令窗口
命令窗口是AutoCAD显示用户从键盘键入的命令和显示AutoCAD提示信息的地方。默认时,AutoCAD在命令窗口保留最后三行所执行的命令或提示信息。可通过拖动窗口边框的方式改变命令窗口的大小,使其显示多于3行或少于3行的信息。
同时也可以按快捷键F2,弹出AutoCAD文本窗口显示所有操作信息。
9 了解状态栏
状态栏用于显示或设置当前的绘图状态。状态栏上位于左侧的一组数字反映当前光标的坐标,其余按钮分别表示当前是否启用当前的绘图空间等信息,如图(a)所示。
右击功能按钮,在弹出快捷菜单中,取消使用图标选择,可以显示经典文字按钮,如图(b)所示。

10 了解模型/布局选项卡
模型/布局选项卡用于实现模型空间 此外,绘图窗口的下部还包括【模型】(Model)选项卡和【布局1】(Layout1)、【布局2】(Layout2)选项卡,分别用于显示图形的模型空间和图纸空间。可以单击它们以实现在图纸空间和模型空间的转换。
11 掌握滚动条使用
利用水平和垂直滚动条,可以使图纸沿水平或垂直方向移动,即平移绘图窗口中显示的内容。
12
AutoCAD 帮助的使用
单击标准工具栏帮助按钮或按快捷键 F1,则弹出AutoCAD帮助窗口。
第二节 视图缩放的应用
1.2.1视图
在绘图窗口中可以移动图形,来变换观察位置;可以放大或者缩小图形。图形无论多大都可以在绘图窗口中绘制,AutoCAD通常按照1∶1的比例绘制图形
在设计中常常需要通过观察图形来粗略检查图形设计是否合理,AutoCAD软件提供的视图功能能让设计者方便、快捷地观察模型。【视图】工具条如图所示。

1.2.2
视图操作应用
绘图窗口任意打开一个线性图形,进行视图缩放操作
操作步骤
步骤一:打开图形
步骤二:缩放视图
(1) 使用鼠标
(2) 使用缩放模式
(3) 使用键盘
第三节 建立基础样板文件
1.3.1制图基础知识
1. 幅面
国标对图纸的幅面大小作出了严格规定,应采用国标规定的图纸基本幅面尺寸,其基本幅面代号有:A0、A1、A2、A3、A4五种,具体尺寸见表所示.
图纸上限定绘图区域的线框称为图框;图框在图纸上必须用粗实线画出,图样绘制在图框内部,其格式分为不留装订边和留装订边两种,如图所示

2. 图层设置
根据国家标准《CAD工程制图规则》有关规定,推荐图层设置见表

1.3.2 层
图层相当于图纸绘图中使用的重叠图纸。绘制图形需要用到各种不同的线型和线宽,为了明显地显示各种不同的线型,可以在图层里面将不同的颜色来赋予不同的线型。将所绘制的对象放在不同的图层上,可提高绘图效率。
1. 图层的基本操作
一幅图中系统对图层数没有限制,对每一图层上的实体数也没有任何限制。每一个图层都应有一个名字加以区别,当开始绘制新图时,AutoCAD自动生成层名为“0”的图层,这是AutoCAD的默认图层,其余图层需要由用户自己定义
【图层特性管理器】可以进行新建图层、删除图层、命名图层等操作;用来设置图层的特性,允许建立多个图层,但绘图只能在当前层上进行。
2. 图层的状态
在【图层特性管理器】对话框中可以控制图层特性的状态,例如:图层的打开(关闭)、解冻(冻结)、解锁(锁定)等,这些在图层管理器和图层工具栏都有显示。
(1)打开(关闭)图层 (
)
当图层打开时,绘制的图形是可见的,并且可以打印。当图层关闭时,绘制的图形是不可见的,且不能打印,即使【打印】选项是打开的。
(2)解冻(冻结)所有视口图层 (
)
可以冻结模型空间和图纸空间所有视口中选定的图层。冻结图层可以加快缩放、平移和许多其他操作的运行速度,便于对象的选择并减少复杂图形的重生成时间。冻结图层上的实体对象在绘图窗口不显示、不能打印,也不参与渲染或重生成对象。解冻冻结图层时,AutoCAD将重生成并显示冻结图层上的实体对象。可以冻结除当前图层外所有的图层,已冻结的图层不能设为当前层。
(3)解冻(冻结)当前视口图层 (
)
冻结图纸空间当前视口中选定的图层。可以冻结当前层,而不影响其他视口的图层显示。
(4)解锁(锁定)图层 (
)
锁定和解锁图层。不能编辑锁定图层中的对象,但是可以查看图层信息。当不需要编辑图层中的对象时,将图层锁定以避免不必要的误操作。
(5)打印(不打印)图层 (
)
确定本图层是否参与打印。
3. 线型设置
绘图时,经常要使用不同的线型,如虚线、中心线、细实线、粗实线等。AutoCAD提供了丰富的线型,用户可根据需要从中选择线型。
在使用各种线型绘图时,除了Continuous线型外,每一种线型都是由实线段、空白段、点或文本、图形所组成。默认的线型比例是1,以A3图纸作为基准,因此在不同的绘图界限下屏幕上显示的结果不一样。当图形界限缩小或放大时,中心线或虚线线型显示的结果几乎成了一条实线,这就必须通过改变线型比例来调整线型的显示结果。
1.3.3建立基础样本实例
1. 要求:
(1) 设置绘图界限为A3(420×297);
(2) 设置图形单位,要求:
① 长度类型为毫米,精度为“0.000”;
② 角度类型为十进制度数,精度为“0.0”,逆时针方向为正。
(3) 设置图层、线型,要求:
① 层名:中心线; 颜色:红; 线型:Center; 线宽:0.35。
② 层名: 虚线; 颜色:黄; 线型:Hidden; 线宽:0.35。
③ 层名:细实线; 颜色:蓝; 线型:Continuous;
线宽:0.35。
④ 层名:粗实线; 颜色:白; 线型:Continuous;
线宽:0.70。
(4) 绘制边框及标题栏,如图所示

2. 操作步骤
步骤一:新建文件
步骤二:设置图纸幅面
(1) 选择【格式】︱【图形界限】命令
步骤三:设置单位
选择【格式】︱【单位】命令,出现【图形单位】对话框
步骤四:设置图层
选择【格式】|【图层】命令,出现【图层特性管理器】对话框。
(1) 设置层名
提示:单击【图层】工具栏上【图层特性管理器】按钮或在命令行输入layer按Enter键
(2) 设置图层颜色
单击中心线图层【颜色】标签下的颜色色块,打开【选择颜色】对话框
(3) 设置线型

(4) 设置线宽
(5) 设置其他层
步骤五:绘制边界、边框和标题栏框
(1) 绘制边界
(2) 绘制边框
(3) 绘制标题栏框
步骤六:保存为样板文件
步骤点评
关于绘图样板文件
创建样板文件的主要目的:
把每次绘图都要进行的各种重复性工作以样板文件的形式保存下来,下一次绘图时,可直接使用样板文件的这些内容。这样,可避免重复劳动,提高绘图效率,同时,保证了各种图形文件使用标准的一致性。
样板文件的内容通常包括图形界限、图形单位、图层、线型、线宽、文字样式、标注样式、表格样式和布局等设置以及绘制图框及标题栏。
注:本节完成了图形界限、图形单位、图层、线型、线宽设置。
样板文件的扩展名为.dwt。
第4节 使用坐标模式绘制图形
1.4.1数据的输入方法
AutoCAD提供了3种常用的点输入方式:键盘输入坐标值、鼠标指定点和捕捉特殊点。
⑴ 键盘输入坐标值
确定点的坐标值分为绝对坐标和相对坐标两种形式,可以使用其中的一种给定实体的 X、Y坐标值。
⑵ 鼠标指定点
在绘图窗口中,移动光标到某一合适的位置后,单击鼠标左键,即可以确定该点,此方式只能确定点的大概位置。
⑶ 捕捉特殊点
AutoCAD提供了对象捕捉、对象追踪等命令方式,可以精确定位点在绘图窗口与已有的图线具有各种关系的位置。
1. 要求:
利用分别各种坐标方式确定点画线,绘制如图所示图形

2. 操作步骤
步骤一:新建文件
步骤二:
计算坐标点
(1) 利用绝对坐标计算⑴、⑵、⑶点;
(2) 利用相对坐标计算⑷、⑸、⑹、(11)点;
(3) 利用相对极坐标计算⑺、⑻、⑼、(10)点。
将绘制各点的坐标输入表
步骤三:利用坐标确定点绘制图形
步骤四:保存文件
1.4.2步骤点评
1.关于笛卡尔坐标系
为了在平面中确定一个点,以两条相互垂直的直线作参考,其中水平线称为X轴,垂直线称为Y轴。两轴的交点称为原点。原点的坐标值为X=0,Y=0。在原点右侧X坐标值为正,在原点左侧X坐标值为负;在原点上方Y坐标值为正,在原点下方Y坐标值为负,这种确定点的方法称为笛卡尔坐标系。
关于确定XY平面中的点
(1) 绝对坐标
在绝对坐标系中,点是以原点(0,0)为参考点定位的。例如,一个坐标值为X=100、Y=80的点,在X轴上的水平距离为100,在Y轴上的垂直距离为80,如图所示。

在AutoCAD中,绝对坐标系用以逗号相隔的X坐标和Y坐标来确定。
关于确定XY平面中的点
(2) 相对坐标
在相对坐标系中,沿X轴与Y轴的距离(DX与DY)不是相对原点而言的,而是相对于前一点而言的。
例如,确定第一点位置为(120,100)后,第二点的绝对坐标为(180,150),相对坐标为(@60,50),如图所示。

在AutoCAD中,相对坐标是由在输入值之前加“@”符号来确定的。
(3) 极坐标
在极坐标系中,一个点的坐标由与当前点距离及当前点连线和X轴正向的夹角来确定。
例如,从原点出发,到离原点距离为120、与X轴正向夹角为30°的点的直线,第二点表示为120<30,如图所示。
在AutoCAD中,极坐标是由在“极轴<极角”组成。
2.关于直线命令
(1) 直线命令的方式:
l菜单命令:选择【绘图(D)】丨【直线(L)】命令。
l【绘图】工具栏:单击【直线】按钮
l命令行输入:Line。
(2) 直线命令的步骤:
① 执行直线命令。
② 指定第一点:指定点或按 ENTER 键从上一条绘制的直线或圆弧继续绘制
③ 指定下一点或 [闭合(C)/放弃(U)]:
(3) 选项说明
① 按 ENTER 键继续
自动捕捉最后绘制的直线的最终端点

若最后绘制了一条圆弧,它的端点将定义为新直线的起点,并且新直线与该圆弧相切,如图所示。

② 闭合
以第一条线段的起始点作为最后一条线段的端点,形成一个闭合的线段环。在绘制了一系列线段(两条或两条以上)之后,可以使用“闭合”选项,如图所示。

③ 放弃
删除直线序列中最近绘制的线段,如图所示。

说明:多次输入 u 按绘制次序的逆序逐个删除线段
对于步骤三最后步骤为:键盘输入C后按Enter键完成,对于此操作,AutoCAD自从2013版本开始,将命令行显示的各个选项,做成按钮,也可用鼠标单击命令行显示的【闭合(C)】选项,完成此操作。
对于CAD命令中所有选项,都可鼠标点击命令行选项按钮完成选项的选择。
第5节 使用对象捕捉模式绘制图形
1.5.1 AutoCAD对象捕捉方式
对象捕捉是AutoCAD最有用的特性之一。例如,需要在一条直线的中点放置一个点,使用中点对象捕捉,则只需将光标移动指向该对象,该中点上(捕捉点)即可出现一个标志,单击该标记处即可确定点的位置。
在AutoCAD中,对象捕捉模式又可分为临时替代捕捉模式和自动捕捉模式。
提示:捕捉点是在执行命令过程中,需要确定点的位置时,才可执行捕捉。
AutoCAD对象捕捉方式有:
【端点】,【中点】,【交点】,【外观交点】,【延长线】,【圆心】,【象限点】,【切点】,【垂足】,【平行线】,【插入点】,【节点】,【最近点】,【临时追踪点】,【自】
⑴【端点】
:在执行命令需要确定点时,执行该命令,可以捕捉离光标最近图线的一个端点,显示小正方形□标记,如图所示。

⑵【中点】
:在执行命令需要确定点时,执行该命令,可以捕捉离光标最近图线的中点,显示三角形△标记,如图所示。

⑶【交点】
:在执行命令需要确定点时,执行该命令,可以捕捉离光标最近两图线的交点,显示相交直线×标记,如图所示

⑷【外观交点】
:在执行命令需要确定点时,执行该命令,可以捕捉到两不相交图线的延伸交点,显示相交直线×标记,如所示;也可以捕捉直线和圆弧的延伸交点

⑸【延长线】
:一般用于自动捕捉,在执行命令需要确定点时,可以捕捉离光标最近图线的延伸点。当光标经过对象的端点时(不能单击),端点将显示小加号 (+),继续沿着线段或圆弧的方向移动光标,显示临时直线或圆弧的延长虚线,以便在临时直线或圆弧的延长线上确定点。如果光标滑过两个对象的端点后,移动光标到两对象延伸的交点附近后,捕捉延伸交点,如图所示。
⑹【圆心】
:在执行命令需要确定点时,执行该命令,可以捕捉离光标最近曲线的圆心,显示小圆标记。该命令可以捕捉到圆弧、圆、椭圆和椭圆弧的圆心,如图所示

⑺【象限点】
:在执行命令需要确定点时,执行该命令,可以捕捉离光标最近曲线的象限点,显示菱形◇标记。圆和椭圆都有4个象限点,为与两条垂直中心线的交点,如图所示。

⑻【切点】
:在执行命令需要确定点时,执行该命令,可以捕捉离光标最近的图线切点,显示圆相切标记。该命令可以捕捉到直线与曲线或曲线与曲线的切点,切点的位置与与靠近对象的位置有关,如图所示

⑼【垂足】
:在执行命令需要确定点时,执行该命令,可以捕捉外面一点到指定图线的垂足,显示直角标记,如图所示。可以与直线、圆弧、圆、多段线、射线、多线等图线的边垂直

(11)【插入点】 :在执行命令需要确定点时,执行该命令,可以捕捉离光标的块、形或文字的插入点,显示插入点标记,如图所示
(12)【节点】 :在执行命令需要确定点时,执行该命令,可以捕捉离光标最近的点对象、标注定义点或标注文字起点,显示点标记,如图所示
(13)【最近点】
:在执行命令需要确定点时,执行该命令,可以捕捉离光标最近各种图线上的点,显示最近点标记,如图所示

(14)【临时追踪点】
:一般用于自动捕捉,与【极轴追踪】、【对象捕捉】、【对象追踪】同时使用,也可单独使用。
例如绘制图(a)所示图形。
① 绘制φ20圆。
② 执行直线命令,输入tt按Enter键。
③ 光标靠近圆心,出现圆心标记,向右移动光标,如图(b)所示。
④ 输入8,按Enter键。
⑤ 向下移动光标追踪到圆,出现极轴交点,单击确定起点,如图(c)所示
⑥ 向左移动光标,与圆相交出现极轴交点,单击完成绘制

(15)【自】
:在执行命令需要确定点时,执行该命令,可以确定距已知点相对距离的点。执行此捕捉命令后,先确定基点,然后输入要确定点距离基点的相对坐标@X,Y,按Enter键即可确定点。
1.5.2举例绘制
例如绘制图(a)所示图形。
① 绘制矩形。
② 执行圆命令,输入from按Enter键。
③ 光标靠近A点,捕捉A点,如图(b)所示。
④ 输入@5,5,按Enter键。
⑤ 输入半径3,按Enter键,如图1-46(c)所示,完成绘制。

1.6.1极轴追踪模式绘制图形应用实例
1. 要求:
采用极轴追踪模式绘制图形,绘制如图所示图形

2. 绘图分析
(1)
单击状态栏【极轴追踪】按钮,使其亮显,打开极轴追踪;
(2)
右键单击【极轴追踪】按钮。
1.6.2 绘图点评
关于极轴追踪
极轴追踪可以通过在状态栏中单击【极轴追踪】按钮,使其亮显,打开极轴追踪。极轴追踪强迫光标沿着【极轴角度设置】中指定的路径移动。例如如果选择【增量角】为15,光标将沿着与15度的倍数角度平行的路径移动,并且出现一个显示距离与角度的工具提示条。
极轴追踪是在确定第1点后,绘图窗口内才可以显示虚点的极轴。
【极轴追踪】与【正交】模式只能二选一,不能同时使用。
关于对象捕捉追踪
对象捕捉追踪能够以图形对象上的某些特征点作为参照点,来追踪其他位置的点。
对象捕捉追踪可以通过在状态栏中单击【对象追踪】按钮,使其亮显,打开对象追踪,并在【草图设置】对话框的【对象捕捉】选项卡中选中【启用对象追踪】复选框才能使用。
ü 实操练习
1.绘制一幅A4图纸边界的边框图形.
2.自己设计一些线性图形,绘制此图形;并根据需求执行各种缩放方式。
3.能根据要求,建立图层并设置图层特性颜色、线型、线宽等。
4.使用坐标模式绘制下图
5.能够合理选择适合题目要求的捕捉方式。
6.使用极轴追踪模式绘制下图

ü 自测题
1.判断题
AutoCAD可以在文件类型中最好选择低版本类型()
2.填空题
【图层特性管理器】可以进行 、 、 等操作;用来设置图层的特性,允许建立多个图层,但绘图只能在 上进行。
ü 学习目标
通过本章的学习,你应该能够:
l 掌握绘制平面图形的分析方法;
l 熟练使用基本绘图命令的操包括、矩形、圆、弧线、椭圆、圆环等;
l 熟练使用各种编辑命令的操作方法,包括偏移、复制、镜像、阵列、移动、旋转、打断、修剪、分解等命令;
l 能综合运用绘图知识绘制扳手等平面图形
ü 学习内容
1.绘制平面图形基础
2.修剪与删除
3.椭圆、圆与圆弧
4.阵列、矩形与多边形
5.绘制扳手、垫片
ü 学习重难点
重点:
l 掌握绘制平面图形的分析方法;
l 熟练使用基本绘图命令的操包括、矩形、圆、弧线、椭圆、圆环等;
l 熟练使用各种编辑命令的操作方法,包括偏移、复制、镜像、阵列、移动、旋转、打断、修剪、分解等命令;
l
能综合运用绘图知识绘制扳手等平面图形
难点:
l 平面图形的分析方法
l 平面图形的绘制
ü 学习提示
|
内容 |
学习目的 |
学习要求 |
预备知识 |
|
第1节 绘制平面图形基础 |
掌握绘制平面图形的分析方法 |
l 确定尺寸基准的原则; l 掌握尺寸分析方法; l 掌握线段分析方法。 |
AutoCAD基础知识 |
|
第2节 修剪与删除 |
掌握修剪命令的使用;掌握删除命令的使用 |
l 利用修剪与删除命令绘制图形 |
平面图形分析方法 |
|
第3节 椭圆、圆与圆弧 |
掌握椭圆、圆、圆弧命令的使用 |
l 根据要求利用圆的各种选项绘制圆; l 根据要求利用椭圆的各种选项绘制椭圆; l 根据要求利用圆弧的各种选项绘制圆弧 |
修剪删除命令的使用 |
|
第4节 阵列、矩形与多边形 |
掌握矩形、阵列、多边形命令的使用。 |
l 掌握矩形命令的使用; l 掌握矩形阵列的使用; l 掌握环形阵列的使用; l 掌握多边形的使用 |
圆类命令的使用 |
|
第5节 绘制扳手、垫片 |
能综合运用绘图知识绘制扳手等平面图形。 |
l 掌握绘图命令与编辑命令的结合使用; l 绘制扳手等平面图形 |
绘图与编辑命令 |
ü 学习内容
前言
平面图形是由若干线段(直线或圆弧)封闭连接组合而成。各组成线段之间可能彼此相交、相切或等距。要用AutoCAD正确、快速地绘制一个平面图形,特别是较复杂的平面图形,必须首先对平面图形作尺寸分析和线段分析,以及熟练掌握绘图及编辑命令,然后按适当的方法、步骤画出。
第一节 绘制平面图形基础
2.1.1平面图形
平面图形是由直线和曲线组成的,线段须根据给定的尺寸关系绘出,所以就须对图形中的尺寸和线段进行分析。
1. 平面图形的尺寸分析
(1)
定形尺寸
定形尺寸是指确定平面图形上几何元素形状大小的尺寸。

(2) 定位尺寸
定位尺寸是指确定各几何元素相对位置的尺寸。
平面图形位置一般需水平和垂直两个方向定位,或以极坐标的形式定位,即半(直)径加角度。

(3)
尺寸基准
标注尺寸的起点称为尺寸基准,简称基准。
一般将图形对称中心线、圆心、轮廓直线等作为尺寸基准;平面图形一般至少有水平和垂直两个方向基准,长度基准为圆心,宽度基准为中心对称线。

2. 平面图形的线段分析
根据定形、定位尺寸是否齐全,可以将平面图形中的图线分为以下三大类:
⑴ 已知线段
已知线段:定形、定位尺寸齐全的线段,可以直接根据尺寸作出图线。
⑵ 中间线段
中间线段:只有定形尺寸和一个定位尺寸的线段,另一定位尺寸由该线段与相邻已知线段的几何关系求出。
⑶ 连接线段
连接线段:只有定形尺寸没有定位尺寸的线段。其定位尺寸根据与线段相邻的两线段的几何关系求出。
2.1.2建立选择集
在编辑图形时,选择对象的方法多种多样,在此介绍几种常用的方法。
⑴ 使用拾取框光标
在命令行提示选择对象时,光标为矩形拾取框,放到要选择的对象上,对象将亮显,单击后选择。

提示:按住Shift键,单击已选择的对象,则这个对象退出选择集。
⑵ 窗口选择方式(window)——W窗口选择方式(简称窗选)
在选择多个对象左侧,单击左键确定一点,由左向右移动光标,将出现一个大小随光标移动而改变矩形窗口,单击后确定窗口大小后,全部在窗口中的对象被选中,变成虚线。

⑶ 交叉窗口选择方式(crossing)——C窗口选择方式(叉选)
在选择多个对象右侧,单击左键确定一点,由右向左移动光标,将出现一个大小随光标移动而改变虚线窗口,单击确定窗口大小后,只要在矩形窗口内的对象,不管是不是全部在,都被选中,变成虚线。

2.1.3绘制简单图形实例
绘制简单图形实例。

1. 平面图形的尺寸分析和线段分析
1) 尺寸分析
(1)
尺寸基准—如图(a)所示。
(2)
定位尺寸—如图(b)所示。
(3)
定形尺寸—如图(c)所示。

2)线段分析
(1)
已知线段—如图(a)所示。可以直接根据尺寸做出的图线
(2)
中间线段—如图(b)所示。只有定形尺寸和一个定位尺寸
(3)
连接线段—如图(c)所示。只有定形尺寸

2. 操作步骤
步骤一:新建文件
步骤二:绘制基准
执行直线命令,绘制基准线
步骤三:绘制已知线段

步骤四:绘制中间线段
(1) 绘制右侧水平线。
(2) 求作R28圆弧圆心。
(3) 绘制R28圆。

(4) 简单整理图形

第2节 修剪与删除
2.2.1修剪
(1)
修剪对象命令的方式:
l菜单命令:【修改(M)】丨【修剪(T)】。
l【修改】工具栏:【修剪】按钮
l命令行输入:trim。
其步骤为:
① 执行命令。
② 选择作为剪切边的对象,按Enter键。
③ 选择要剪掉的对象。
(2)
修剪命令应用
① 可以修剪对象,使它们精确地终止于由其他对象定义的边界。
② 对象既可以作为剪切边,也可以是被修剪的对象

③ 执行命令后,按 Enter键为选择所有对象,互为剪切边,然后选择要修剪的对象。

提示:每一直线均被剪切为5段,若选择修剪对象时,最后剩下中间矩形4段任一段时,不能剪切,因此要按照每一直线依次修剪。
④ 执行命令后,选择对象按Enter键后,按住Shift键选择不相交的对象时,则为延伸到相交。

2.2.2删除命令
删除对象命令的方式:
l菜单命令:【修改(M)】丨【删除(E)】。
l【修改】工具栏:【删除】按钮
l命令行输入:erase。
删除命令的方式为:
方式一:选择要删除的对象,在绘图窗口中右击,从快捷菜单中选择【删除】命令。
方式二:单击【修改】工具栏【删除】按钮
,然后选择删除对象,按Enter键完成;也可选择删除的对象,单击【修改】工具栏【删除】按钮 完成
方式三:选择要删除的对象,按Delete键完成。
方式四:选择要删除的对象,使用Ctrl+X组合键将它们剪切到剪贴板。
第3节 椭圆、圆与圆弧
2.3.1椭圆
平面内与两定点F1、F2的距离的和等于常数2a(2a>|F1F2|)的动点P的轨迹叫做椭圆。
即:|PF1|+|PF2|≥2a其中两定点F1、F2叫做椭圆的焦点,P为椭圆的动点
椭圆截面与两焦点连线重合的直线所得的弦为长轴,长为2a。
椭圆截面垂直平分两焦点连线的直线所得弦为短轴,长为2b。

1绘制椭圆
椭圆命令的方式:
l菜单命令:【绘图(D)】丨【椭圆(E)】丨……
l【绘图】工具栏:【椭圆】按钮
l命令行输入:ellipse。
其步骤为:
① 执行命令。
② 根据命令行提示确定。
椭圆绘制有两种方式,一是先由2点确定一轴直径,再确定另一点确定另一轴半径;另一方式是先确定中心点,再确定两轴半径。
椭圆命令的方式:
l菜单命令:【绘图(D)】丨【椭圆(E)】丨【圆弧(A)】
l【绘图】工具栏:【椭圆弧】按钮
其步骤为:
① 执行命令。
② 根据命令行提示确定。
椭圆弧命令基本同椭圆绘制方式,最后需要确定起始和终止的角度来完成。
2.3.2绘制圆
(1) 圆命令的方式:
l 菜单命令:选择【绘图(D)】丨【圆(C)】命令。
l【绘图】工具栏:单击【圆】按钮
命令行输入:circle。
(2) 圆命令的步骤:
① 执行圆命令。
② 指定圆的圆心或 [三点(3P)/两点(2P)/相切、相切、半径(T)]:指定点或输入选项
(3) 选项说明。
① 确定圆心,定义圆的半径。
半径可输入值,或指定点,此点与圆心的距离决定圆的半径,如图(a)所示②
确定圆心,输入 d定义圆的直径。
直径可输入值,或指定点,此点与圆心的距离决定圆的直径,如图(b)所示
③ 三点(3P)
指定圆上的第一个点:指定点 (1)、指定圆上的第二个点:指定点 (2)和指定圆上的第三个点:指定点 (3),如图(c)所示。
④ 两点(2P)
⑤ 相切、相切、半径(TTR)
指定对象与圆的第一个切点:选择圆、圆弧或直线、指定对象与圆的第二个切点:选择圆、圆弧或直线和指定圆的半径,如图(e)所示。
⑥ 相切、相切、相切
指定对象与圆的第一个切点:选择圆、圆弧或直线;指定对象与圆的第二个切点:选择圆、圆弧或直线;指定对象与圆的第三个切点:选择圆、圆弧或直线定圆的半径,如图(f)所示。

2.3.3绘制圆弧
AutoCAD提供了10种绘制圆弧的方式,在下拉菜单有各个选项。
圆弧命令的方式:
l菜单命令:【绘图(D)】丨【圆弧(A)】丨……
l【绘图】工具栏:【圆弧】按钮
l命令行输入:arc
圆弧方向由起点和端点的方向确定,圆弧沿着起点开始到端点确定的位置逆时针方向旋转。
在执行“起点,端点,半径”绘制圆弧时,确定起点和端点后,若输入半径为正值,圆弧的圆心角小于180°;若输入半径为负值,则圆弧的圆心角大于180°。
提示:绘制直线、圆弧间相切图线,可在绘制前一对象后,执行下一命令,按Enter键,则可以自动找到上一命令结束的终止点,且直线、圆弧之间的连接为相切。
第4节 阵列、矩形与多边形
2.4.1阵列
利用阵列工具可以按照矩形、路径或环线的方式,以定义的距离或角度复制出源对象的多个对象副本。在绘制孔板、法兰等具有均布特征的图形时,利用阵列工具可以大量减少重复图形的绘图步骤,提供绘图效率和准确性。
1. 矩形阵列
执行矩形阵列步骤:
① 执行矩形阵列命令。
② 选择要排列的对象,按Enter键后,将显示预览阵列;同时命令行显示如下:。
选择夹点以编辑阵列或[关联(AS)/基点(B)/计数(COU)/间距(S)/列数(COL)/行数(R)/层数(L)/退出(X)]。
③ 输入各选项,确定行列数和之间距离。
其部分选项含义如下。
l选择夹点指定各个参数;指定方式可以输入数据指定,也可以移动光标单击指定。每个夹点可指定的参数值。

l关联:指定阵列中的对象是关联的还是独立的。
l基点:定义阵列基点和基点夹点的位置。
l间距:指定行间距和列间距,并使用户在移动光标时可以动态观察结果
l列数:编辑列数和列间距。
l行数:指定阵列中的行数、它们之间的距离以及行之间的增量标高。
2. 环形阵列
执行环形阵列步骤:
① 执行环形阵列命令。
② 选择要排列的对象。
③ 指定中心点,将显示预览阵列;同时命令行显示如下:
选择夹点以编辑阵列或 [关联(AS)/基点(B)/项目(I)/项目间角度(A)/填充角度(F)/行(ROW)/层(L)/旋转项目(ROT)/退出(X)] <退出>:
④ 输入 i(项目),然后输入要排列的对象的数量。
⑤ 输入 a(项目间角度),并输入要填充的角度。
提示:还可以拖动箭头夹点来调整填充角度。
其部分选项含义如下。
选择夹点指定各个参数;指定方式可以输入数据,也可以移动光标指定。每个夹点可指定的参数值如图。

l基点:相对于选定对象指定新的参照(基准)点,对对象指定阵列操作时,这些选定对象将与阵列圆心保持不变的距离。
l填充角度:指定第一个和最后一个阵列对象的基点间的夹角。
项目间角度:根据阵列中心点和阵列对象的基点指定对象间的夹角。
旋转项目:是否旋转阵列中的对象如图。

2.4.2矩形命令
(1) 圆角命令的方式:
l菜单命令:【绘图(D)】丨【矩形 (G)】
l【绘图】工具栏:【矩形】按钮
l命令行输入:rectang或rec。
(2) 其步骤为:
① 执行命令。
② 指定矩形一个角点。
③ 指定矩形对角点(可以采用相对坐标确定)。
(3) 说明:矩形命令有许多选项,可以根据需要绘制带圆角和倒角的矩形

(1) 圆角命令的方式:
l菜单命令:【绘图(D)】丨【矩形 (G)】
l【绘图】工具栏:【矩形】按钮
l命令行输入:rectang或rec。
(2) 其步骤为:
① 执行命令。
② 指定矩形一个角点。
③ 指定矩形对角点(可以采用相对坐标确定)。
(3) 说明:
矩形命令有许多选项,可以根据需要绘制带圆角和倒角的矩形
2.4.3正多边形
各边相等,各角也相等的多边形叫做正多边形(多边形:边数大于等于3)
l正多边形的外接圆的圆心叫做正多边形的中心。
l中心与边的距离叫做边心距。
l正多边形的对称轴:
奇数边时连接一个顶点和顶点所对的边的中点,即为对称轴。
偶数边时连接相对的两个边的中点,或者连接相对称的两个顶点,都是对称轴。
正N边形边数为对称轴的条数为N。
l正多边形各边所对的外接圆的圆心角都相等,其圆心角叫做正多边形的中心角。
(1) 正多边形的外接圆
把圆分为n(n≥3)等份,依次连接各分点所得的多边形就是这个圆的内接正n边形,也就是正n边形的外接圆。
(2) 正多边形的内切圆
把圆分为m(m≥3)等份,经过各分点作圆的切线,以相邻切线的交点为顶点的多边形就是这个圆的外切正m边形,也就是正m边形的内切圆。

第5节 绘制扳手、垫片
2.5.1 绘制扳手
绘制如图所示图形

1.
平面图形的尺寸分析和线段分析
1)
尺寸分析
(1) 尺寸基准—如图(a)所示。
(2) 定位尺寸—如图(b)所示。
(3) 定形尺寸—如图(c)所示。

2)
线段分析
(1) 已知线段—如图(a)所示。
(2) 中间线段—如图(b)所示。
(3) 连接线段—如图(c)所示。

2. 操作步骤
步骤一:新建文件
利用建立的A4样板文件新建图形,保存为“扳手”。
步骤二:绘制基准
选择中心线图层绘制基准线

步骤三:绘制已知线段


步骤四:绘制中间线段


步骤五:绘制连接线段


步骤六:整理图形。

步骤七:保存文件
2.5.2 绘制垫片
绘制如图所示图形。

1. 平面图形的尺寸分析和线段分析
1)图形分析
图形分离出基本几何元素,先绘制120×80矩形,然后向内外分别偏移10复制出2个矩形,绘制出R15和φ12的圆,最后进行矩形阵列后修剪。
2)
尺寸分析
(1) 尺寸基准—如图(a)所示。
(2) 定位尺寸—如图(b)所示。
(3) 定形尺寸—如图(c)所示。

3)
线段分析
图形中的尺寸均可根据给定的尺寸直接作出,为已知线段。
2. 操作步骤
步骤一:新建文件
步骤二:绘制基准

步骤三:绘制粗实线矩形
步骤四:绘制左下角圆

步骤五:阵列圆



步骤六:整理图形。


步骤七:保存文件
ü 实操练习
1.利用直线命令绘制图a,并利用修剪命令,结果如图b

(a) (b)
2.能正确使用椭圆、圆、圆弧命令画图
3.绘制下图
4.
综合利用所学命令绘制下图:

ü 自测题
1.名词解释
定形尺寸是指: 。
定位尺寸是指: 。
2.
填空题
在编辑图形时,选择对象的方法 、 、 。
ü 学习目标
通过本章的学习,你应该能够:
l 了解投影法的概念及分类
l 掌握投影特性,理解三视图形成及其对应关系
l 掌握基本体三视图的画法
l 叠加式组合体三视图--轴承座的分析与绘制方法
l 绘制切割式组合体三视图--导块的分析与绘制方法
l 用形体分析法补画视图--支座的分析与绘制方法
ü 学习内容
1.基本立体视图
2.平面与立体相交
3.绘制叠加式组合体三视图--轴承座
4.绘制切割式组合体三视图--导块
5.用形体分析法补画视图--支座
ü 学习重难点
重点:
l 了解投影法的概念及分类;
l 掌握投影特性,理解三视图形成及其对应关系;
l 掌握基本体三视图的画法;
l 能够分析和绘制轴承座、导块与支座的三视图
难点:
l 叠加式组合体三视图--轴承座的分析与绘制方法
l 绘制切割式组合体三视图--导块的分析与绘制方法
l 用形体分析法补画视图--支座的分析与绘制方法
ü 学习提示
|
内容 |
学习目的 |
学习要求 |
预备知识 |
|
第1节 基本立体视图 |
了解投影法的概念及分类;掌握投影特性,理解三视图形成及其对应关系;掌握基本体三视图的画法 |
l 理解三视图的形成; l 掌握三视图投影规律; l 掌握三视图绘制方法; |
AutoCAD基础知识 |
|
第2节 平面与立体相交 |
掌握立体三视图的分析方法并能够进行绘制 |
l 掌握平面立体截交线的分析方法 l 掌握平面立体表面求点的方法 l 绘制立体三视图 |
三视图的基本知识 |
|
第3节 绘制叠加式组合体三视图--轴承座 |
掌握叠加式组合体三视图--轴承座的分析与绘制方法 |
l 掌握形体分析法 l 理解叠加式组合体表面过渡关系 l 绘制叠加式组合体 l 掌握多段线的使用命令 |
平面与立体相交的三视图的绘制 |
|
第4节 绘制切割式组合体三视图--导块 |
掌握绘制切割式组合体三视图--导块的分析与绘制方法 |
l 绘制切割式组合形体 l 掌握构造线命令的使用 l 掌握射线命令的使用 |
叠加式组合体三视图的绘制 |
|
第5节 用形体分析法补画视图--支座 |
用形体分析法补画视图--支座的分析与绘制方法 |
l 掌握组合体的形体分析方法 l 熟练使用对象追踪 |
叠加式组合体三视图的绘制 |
ü 学习内容
前言
AutoCAD绘制形体视图主要绘制立体图的三视图
第一节 基本立体视图
3.1.1形体投影
将被投影的形体置于三投影体系中,用正投影法将物体分别向投影面进行投射, 即得到物体的三面投影,如图所示。

按国家标准规定展开投影面,得到在同一平面上的三面投影,称为三视图。其视图间距可根据需要确定,也不必画出投影轴。
每一视图均反映两个方向尺寸,如图所示:

故其投影规律为:
正面投影图和水平投影图 长对正;
正面投影图与侧面投影图 高对齐;
水投影图与侧面投影图 宽相等。
3.1.2 绘制基本立体视图实例
如图所示立体的三视图。

1.绘图分析
其三视图及其尺寸如图所示。
2. 操作步骤
步骤一:新建文件
步骤二:绘制图形
(1) 绘制基准
选择合适的图层(45°斜线用辅助线图层),执行直线命令,绘制基准线,如图所示。

2. 操作步骤
步骤二:绘制图形
(2) 绘制俯视图
俯视图具有形状特征,先绘制俯视图。执行直线命令,采用极轴追踪的方式,输入距离完成绘制,如图所示

2. 操作步骤
步骤二:绘制图形
(3) 绘制主视图
执行直线命令,绘制主视图线段,注意采用对象追踪方式,做到“长对正”,如图
所示。

2. 操作步骤
步骤二:绘制图形
(4) 绘制左视图

步骤三:整理视图
步骤四:保存文件
第3节 平面与立体相交
3.2.1平面立体的截交线
截交线的形状取决于立体形状和截平面与立体的相对位置,平面立体的截交线,一般为直线组成的封闭多边形,其边数取决于立体上与平面相交的棱线数目。
求截交线,其实际就是求截平面与立体表面的共有点,一般可利用积聚性作出其共有点,按顺序连接各点即可。若多个平面截切,要注意截平面之间是否有交线,并要判断其可见性。
3.2.2 绘制平面与立体相交实例
作出六棱柱被截切后的左视图,并补画俯视图图线,如图所示

1. 绘图分析
(1) 六棱柱的上部被一个正垂面截切,其与棱柱共生成7个交点,组成一个7边形,求出各个交点,如图所示;
(2) 连接起来即可得到截交线的投影;要作出各棱线的投影。

2. 操作步骤
步骤一:新建文件
步骤二:绘制图形
绘制已知图形及45°线

步骤三:绘制截交线
(1) 确定截交线形状,并补画俯视图缺线

(2) 确定各点在左视图位置

(3) 绘制截交线

步骤四:整理视图

步骤五:保存文件
3.2.3关于确定分界点
在绘制平面立体的侧棱时,要确定各侧棱的可见性,特别是对于两条侧棱投影重合时,怎样确定虚线的分界点。而左视图前后两侧的棱线的绘制,与上面的截交线重合,可以利用夹点的方式来拉伸图线。单击5“6”投影,再次单击5"处夹点,夹点变成红色后向下移动光标,捕捉下底面投影直线的最前点,如图所示,单击即可完成直线的拉伸。
单击某个夹点后,此夹点以红色小方框显示,该夹点被激活,此夹点又称为热点。激活夹点后,可以将激活的夹点(热点)为基点,对图形对象执行拉伸、平移、复制、缩放和镜像等基本修改操作。
直线两端夹点被激活后,可以沿着直线方向向外或向内拖动光标,输入数值,以延长或缩短一定长度;而圆象限点激活后,可以输入数值,重新确定圆的半径。
选择对象和热点后,可以按住Ctrl键,单击热点移动光标复制对象,基点不同,复制后的对象也不一样,只要复制一个后,可以松开Ctrl键连续复制;按住Shift键,单击基点,只能水平和垂直移动或者修改对象。

第3节 绘制叠加式组合体三视图--轴承座
3.3.1叠加式组合体绘制
任何复杂的机械零件,从形体的角度看,都是由一些简单的平面体和曲面体通过一定的组合形式构成的,将这些类似机械零件的物体称为组合体;而把这种从形体的角度将复杂的形体分解为简单的平面体或曲面体的思维过程称为形体分析。
⑴ 组合体的表面连接关系
①当两基本体表面平齐时,结合处不画分界线。当两基本体表面不平齐时,结合处应画出分界线。
②两基本体表面相切时,在相切处不画分界线。
③当两基本体表面相交时,在相交处应画出分界线。
(2) AutoCAD绘制组合体的步骤:
① 形体分析:析该组合体是由哪些基本体所组成的,了解它们之间的相对位置、组合形式以及表面间的连接关系及其分界线的特点。
② 选择主视图:表达组合体形状的一组视图中,主视图是最主要的视图。主视图的选择一般根据形体特征原则来考虑,即以最能反映组合体形体特征的那个视图作为主视图,同时兼顾其他两个视图表达的清晰性。选择时还应考虑物体的安放位置,尽量使其主要平面和轴线与投影面平行或垂直,以便使投影能得到实形。
③ 布置视图位置:布置视图时,应根据已确定的各视图每个方向的最大尺寸,并考虑到尺寸标注和标题栏等所需的空间,匀称地将各视图布置在图幅上。
④ 绘制图形。
(3) 绘制组合体注意事项:
① 不应画完组合体一个完整视图后再画另一个视图,而应几个视图联系起来同时进行。
② 画每一个形体时,应先画反映该形体形状特征的视图,然后再画其他视图
③ 一个平面在各视图上的投影,除了有积聚性的投影为直线外,其余的投影都应该表现为一个封闭线框。每个封闭线框的形状应当与该面的实形类似。
3.3.2绘制叠加式组合体三视图实例
绘制轴承座三视图,如图所示

1.绘图分析
(1) 利用形体分析法将其分解为四部分,与轴相配的圆筒Ⅰ,用来支承圆筒的支承板Ⅱ和肋板Ⅲ,安装用的底板Ⅳ,如图(b)所示。
(2) 根据形状特征原则,选择底板水平放置,圆筒放在正垂位置作为主视图,如图(a)所示形体箭头指的方向
绘图步骤如下。
① 布置视图:绘制各视图的基线、对称线以及主要形体的轴线和中心线。
② 绘制各部分视图:绘制顺序为“底板Ⅳ→圆筒Ⅰ→支承板Ⅱ→肋板Ⅲ”。注意各部分之间相对位置以及相交的情况,确定交线。
③ 检查修改:完成绘制。
2. 操作步骤
步骤一:新建文件
步骤二:布置视图
布置视图,绘制45°线

步骤三:绘制底板视图

步骤四:绘制圆筒视图

步骤五:绘制支承板视图

2. 操作步骤
步骤六:绘制肋板视图

步骤七:检查修改
步骤八:保存文件
3.3.3修剪俯、左视图内多余的图线
支承板与圆筒在组合过程中,相互之间连接成为一体,因而圆筒的俯、左视图在上一步骤绘制的轮廓线,就不存在了,因而将修剪掉。
对于绘制叠加组合体视图
先进行形体分析,然后绘制每个基本形体的视图。在绘制图形的过程中,从反映每一形体特征的视图开始绘制;注意按照“三等”规律绘制完一个形体后,再开始绘制另一形体。
注意的是,在绘制另外形体视图过程中,要考虑已经绘制形体的视图因为叠加而不存在的图线。
画图的一般顺序是:先画主要部分,后画次要部分;先画大形体,后画小形体;先画整体形状,后画细节形状;画图过程中,要三个视图联系起来画,不要一次绘制一个视图,再绘制另一视图。
第4节 绘制切割式组合体三视图--导块
3.4.1切割式组合体的绘制
当形体分析为切割式组合体时,应从整体出发,把原来的形体看成长方体或圆柱体等基本形体,先画出基本形体的三面投影,然后按分析的切割顺序,画出切去部分的三面投影,最后画出组合体整体的投影。
3.4.2绘制切割式组合体三视图实例
绘制如图所示的导块三视图。

1. 绘图分析
(1) 导块是长方体I;
(2) 切去II,II,IV;
(3) 钻孔V而成,如图所示。

2. 操作步骤
步骤一:新建文件
步骤二:绘制基本形体
布置视图,绘制45°线

步骤三:切去形体
(1) 切去形体II

(2) 切去形体Ⅲ

步骤四:钻孔

步骤五:检查修改
检查修改,完成绘制,关闭“辅助线”图层,则辅助线图层不显示。
步骤六:保存文件
3.4.3 关于长对正、高平齐
在实际绘制图形过程中,“长对正、高平齐”一般用对象捕捉追踪的方式来实现;也可以执行菜单的【绘图】→【构造线】或【射线】命令来完成。
构造线起始于指定点并且在两个方向上延伸无限延伸的直线。构造线工具按钮为,创建直线的方法:指定两点,第一个点是构造线概念上的中点,第二点定义方向;可以连续绘制多条同心线。
可以绘制水平、垂直的直线,作为“长对正、高平齐”的基准。还可以绘制指定角度的斜线以及角的平分线。
第5节 用形体分析法补画视图--支座
3.5.1形体分析法看图
根据已知组合体的两视图补画第三视图,是看图和画图的综合训练。一般的方法和步骤为:根据已知视图,用形体分析法和必要的线面分析法分析和想象组合体的形状,在弄清组合体形状的基础上,按投影关系补画出所缺的视图
补画视图时,应根据各组成部分逐步进行。对叠加型组合体,先画每一基本形体,最后完成整体。
形体分析法看图是从“体”出发,在视图上分线框,其看图步骤如下
1划线框,分形体
先看特征视图,并将特征视图划分成几个线框,想象该组合体可分为几部分。
2对投影,想形状
按照长对正、高平齐、宽相等的投影关系,从每一基本形体的特征视图开始,找出另外投影,想象出每一基本形体的形状
3合起来,想整体
每个部分(基本形体或其简单组合)的形状和位置确定后,整个组合的形式也就确定了,从而想象出支承架的整体形状
3.5.2用形体分析法补画视图实例
画出如图所示支座视图,并补画其左视图。

1. 绘图分析
(1) 将支座的主视图可分成三个封闭线框,如图(a)所示;
(2) 找出其俯视图对应投影,确定各个封闭线框的形状,分别为底板Ⅰ、立板Ⅱ和凸块Ⅲ组成;
(3) 底板Ⅰ下方中间切一通槽;
(4) 底板Ⅰ和立板Ⅱ后面有一长方形到底的缺口;
(5) 底板Ⅰ有四个圆孔;
(6) 立板Ⅱ和凸块Ⅲ被一横圆孔贯穿,如图(b)所示
(7) 组合各部分,如图(c)所示。
此图可以利用叠加、切割的综合方式绘制其视图

2. 操作步骤
步骤一:新建文件
步骤二:绘制基本形体
(1) 绘制基准线和绘制45°线

(3) 绘制立板Ⅱ左视图,如图所示

(3 绘制凸块Ⅲ左视图,如图所示

步骤三:绘制切槽
(1) 绘制底面结构视图,如图所示

(2) 绘制后面切槽结构视图,如图所示

步骤四:绘制穿孔
(1) 绘制立板Ⅱ和凸块Ⅲ的横圆孔结构视图,如图所示

(2) 绘制底板Ⅰ四个圆孔结构视图,如图所示

步骤五:检查修改
检查修改,完成绘制,关闭“辅助线”图层,则辅助线图层不显示,如图所示

步骤六:保存文件
ü 实操练习
1.
绘制立体的三视图

2.利用学过的命令绘制下列形体的视图,补画第三视图。

ü 自测题
1.问答题:
简述绘制三视图中宽相等的绘制方式:
2.简述题:
简述夹点的使用方法与功能:
3.判断题:
构造线是起始于指定点并且在两个方向上延伸无限延伸的直线。()
ü 学习目标
通过本章的学习,你应该能够:
l 了解《机械制图》国家标准及在工程图样中的应用;
l 掌握文字样式的设置方法以及文本编辑的基本操作;
l 掌握尺寸标注样式的设置与尺寸标注类型以及各种尺寸标注与尺寸编辑方法;
l 能够进行平面图形与三视图的尺寸标注
ü 学习内容
1.建立具有文字样式的样本文件
2.建立具有标注样式的样本文件
3.平面图形的尺寸标注
4.轴承座视图的尺寸标注
ü 学习重难点
重点:
l 了解《机械制图》国家标准及在工程图样中的应用;
l 掌握文字样式的设置方法以及文本编辑的基本操作;
l 掌握尺寸标注样式的设置与尺寸标注类型以及各种尺寸标注与尺寸编辑方法;
l 能够进行平面图形与三视图的尺寸标注
难点:
l 建立具有文字样式的样本文件;
l 建立具有标注样式的样本文件;
l 对平面图形以及三视图进行标注
ü 学习提示
|
内容 |
学习目的 |
学习要求 |
预备知识 |
|
第1节 建立具有文字样式的样本文件 |
掌握建立具有文字样式的样本文件的方法 |
l 了解文字样式机械制图国标规定 l 了解文字样式CAD工程制图国标规定 l 掌握文字样式设置方法 |
AutoCAD基础知识 |
|
第2节 建立具有标注样式的样本文件 |
掌握建立具有标注样式的样本文件的方法 |
l 了解尺寸标注的规定 l 掌握尺寸标注的设置方法 l 明确各类尺寸的设置要求 |
样本文件 |
|
第3节 平面图形尺寸标注 |
掌握尺寸标注样式的设置与尺寸标注类型以及各种尺寸标注与尺寸编辑方法 |
l 了解尺寸标注的类型 l 掌握尺寸的标注方法 |
建立标注样式的样本文件 |
|
第4节 轴承座视图尺寸标注 |
掌握三视图的标注方法 |
l 掌握三视图尺寸标注方法 l 掌握尺寸的标注方法 |
三视图;标注类型 |
ü 学习内容
前言
在图形设计中,尺寸标注是绘图设计工作中的一项重要内容,因为绘制图形的根本目的是反映对象的形状,而图形中各个对象的真实大小和相互位置只有经过尺寸标注后才能确定。
AutoCAD 包含了一套完整的尺寸标注命令和实用程序,可以轻松完成图纸中要求的尺寸标注。例如,使用AutoCAD 中的【线性】、【直径】、【半径】、【角度】等标注命令,可以对长度、直径、半径、角度及圆心位置等进行标注。
第1节 建立具有文字样式的样本文件
4.1.1字体
1. 机械制图国标字体(GB/T
14691-1993)规定
字体指的是图中汉字、字母、数字的书写形式,图样中的字体书写必须做到字体工整、笔画清楚、间隔均匀、排列整齐。
(1)
字号
表示字体高度,代号为h。系列有1.8,2.5,3.5,5,7,10,14,20,单位mm
(2)
汉字
汉字应写成长仿宋字体,汉字高度h不应小于3.5mm,其字宽一般为h/。
(3)
数字和字母
可以写成斜体和直体,斜体字字头向右倾斜,与水平基准线约成75°;用作指数、分数、极限偏差、注脚等的数字及字母,一般应采用小一号字体。
2. 《机械工程CAD制图规则》(GB/T14665-1998)规定
工程图的字体高度h与图纸幅面之间的大小关系,见表所示。
一般计算机的字库内没有长仿宋体的字体,可以找到长仿宋体字库,加载进去的。如果没有长仿宋体字库,可选用计算机字体库中的字体,推荐如下。
使用大字体,字体样式中中文大字体选择gbcbig.shx。其字体名可以设置中文字体的直体为gbenor.shx、字母和数字的斜体为bgeitc.shx。
如不选用大字体,设置中文字体的字体可选用长仿宋字体或仿宋GB_2312,字母和数字的斜体选用isocp.shx或romanc.shx。
根据国标规定以及AutoCAD提供的文字样式,一般推荐在样板文件中建立使用大字体和不使用大字体两种文字样式,具体文字样式见表。

4.1.2建立具有文字样式的样本文件实例
1. 要求
设置文字样式(使用大字体gbcbig.shx)
(1)
样式名:数字; 字体名:Gbeitc.shx;
文字宽的系数:1; 文字倾斜角度:0
(2)
样式名:汉字; 字体名:Gbenor.shx; 文字宽的系数:1; 文字倾斜角度:0
2. 操作步骤
步骤一:打开样板文件
(1)
单击【打开】按钮,出现【选择样板】对话框
(2)
选择【格式】|【文字样式】命令或单击【格式】工具栏【文字样式管理器】按钮,出现【文字样式】对话框
步骤二:建立数字文字样式

步骤二:建立数字文字样式
说明:字体高度不设置;设置完毕
步骤三:建立汉字文字样式
步骤四:保存样板文件
4.1.3关于文字样式
(1)
对于文字样式选择,若所选的字体前面带符号“@”时,标注的文字向左旋转90°,即字头向左。
(2)
对于字体样式中字体高度的设定,若设定字体的高度时,此样式的任何字都确定了高度,不再询问要输入字体的高度;若不设定字体的高度,则询问要输入字体的高度。
第2节 建立具有标注样式的样本文件
4.2.1尺寸标注应用
1. 角度标注
标注角度的数字,一律写成水平方向,一般应水平填写在尺寸线的中断处,如图(a)所示;必要时可以写在尺寸线的上方或外面,也可以引线标注,如图(b)所示。

2. 非圆直径标注
对于机械图样,圆柱、圆锥等回转体的直径一般标注在非圆视图上,也就是标注在投影为直线的视图上,如图所示。

3. 对称机件的标注:
对称机件的图形只画出一半或略大于一半时,尺寸线应略超过对称中心线或断裂处的边界线,此时仅在尺寸线的一端画出箭头,尺寸数字要标注全长尺寸,如图所示。
![]()

4.2.2建立具有标注样式的样实例
1.要求
建立如下的尺寸标注样式,其标注形式如图4-7所示。
(1) “机械样式”父样式
(2) “机械样式→角度标注”的子样式
(3) “机械样式→直径标注”的子样式
(4) “非圆直径”父样式
(5) “引线标注”父样式
(6) “部分标注”父样式
(7) “2:1比例标注”父样式
2. 操作步骤
步骤一:打开样板文件
单击【打开】按钮,出现【选择
样板】对话框
(2) 打开标注样式对话框
步骤二:创建“机械样式”父样式
(1) 新建样式

(2)设置尺寸线

(3) 设置符号和箭头

(4) 设置文字

(5) 设置调整

(6) 设置主单位

步骤三:创建“机械样式”父样式的“角度”标注子样式
(1) 新建样式

(2) 设置文字

步骤四:创建“机械样式”父样式的“直径”标注子样式
(1) 新建样式

(3) 设置调整

步骤五:创建“非圆直径”父样式
(1) 新建样式

(2) 设置主单位

步骤六:创建“引线标注”父样式
(1) 新建样式

(2) 设置文字

(3) 设置调整

步骤七:创建“部分标注”父样式
(1)
新建样式

(3) 设置线

(4) 设置调整

步骤八:创建“2:1比例标注”父样式
(1) 新建样式

(2) 设置主单位

步骤九:保存样板文件
4.2.3关于2:1比例标注父样式
输入比例数值时,若是无理数,可以输入表达式;如采用3:1比例绘制图形时,其输入的比例数值可为:1/3。
4.2.4关于创建父样式与子样式的概念
在AutoCAD中,可根据不同用途设置多个尺寸标注父样式,配以不同的样式名。每个父样式又可分别针对不同类型的尺寸(半径、直径、线型、角度)进行进一步设置,即子样式。当采用某一父样式进行标注时,系统会根据不同的情况进行标注。
在【创建新标注样式】对话框中,从【用于】列表选择【所有标注】选项,则建立一个父样式;如果选择用于除所有标注之外的其他标注类型,则建立的是子样式。若建立子样式,则不需要确定样式名称,是修改选择基础样式中的某一标注样式。
第3节 平面图形尺寸标注
4.3.1 平面图形尺寸标注
平面图形中标注的尺寸,要求做到正确、完整。正确是指严格按照国标规定注写;完整是指尺寸不多余、不遗漏。
标注尺寸的方法
(1)
图形分解法:将图形分解为一个基本图形和几个子图形,其次确定基本图形的基准,标注定形尺寸,最后依次确定各子图形的基准,标注定位、定形尺寸。
(2)
图线标注法:先确定基准,然后根据图线分类,标注已知线段的定形尺寸和两个方向定位尺寸;再标注中间线段的定形尺寸和一个方向定位尺寸;最后标注连接线段的定形尺寸,注意无定位尺寸。
4.3.2 AutoCAD尺寸标注
1. AutoCAD尺寸标注类型
AutoCAD 提供了几种基本的标注类型:线性标注、径向(半径、直径和折弯)标注、角度标注、坐标标注、弧长标注等,如图所示。

2. AutoCAD尺寸标注命令工具栏
标注命令工具栏如图所示。

2. AutoCAD尺寸标注命令工具栏
(1) 线性标注
线性尺寸标注,是指标注对象在水平或垂直方向的尺寸。其命令为:dimlinear;标注如图所示的图形尺寸。

① 选择【非圆直径】样式,执行【线性】标注,按Enter键或空格键后单击选择矩形右侧垂直线,点击放置尺寸的位置,则标注φ30。
② 选择【机械样式】样式,执行【线性】标注,分别单击捕捉线段端点 (1)和 (2),点击放置尺寸的位置,则标注40。
(2)对齐标注
对齐尺寸标注,是指标注对象在倾斜方向的尺寸。
其命令为:dimaligned;标注如图所示的图形尺寸。

选择【机械样式】标注,执行【对齐】标注,分别单击捕捉线段端点(1)和(2),点击放置尺寸的位置,则标注20。
(3)连续标注
连续标注是指从某一个尺寸界线开始,按顺序标注一系列尺寸,相邻的尺寸采用前一条尺寸界线,和新确定点的位置尺寸界线。其命令为:dimcontinue;提示:必须先标注一个线性标注或者对齐标注之后,才可以执行此命令。
标注如图所示的图形尺寸。

选择【机械样式】标注,执行【线性】标注,标注尺寸15;执行【连续】标注,连续单击图所示的⑴、(2)、(3)点,标注尺寸10、2、10,如图所示。
(4) 基线标注
基线标注是指以某一尺寸界线为基准位置,按某一方向标注一系列尺寸,所有尺寸共用第一条基准尺寸界线。其命令为:dimbaseline;方法和步骤与连续标注类似,也应该先标注或选择一个尺寸作为基准标注。标注如图所示的图形尺寸。

选择【机械样式】标注,执行【线性】标注,标注尺寸15;执行【基线】标注,连续单击图所示的⑴、(2)、(3)点,标注尺寸25、37、57,如图所示。
(5) 直径标注
标注圆直径,一般选择标注样式为机械样式,若需要标注引出线的圆直径,则选择引线标注样式。其命令为:dimdiameter;标注如图所示的图形尺寸。

选择机械样式标注,执行【直径】标注,标注φ40;选择引线样式标注,执行【直径】标注,标注φ60。
(6) 半径标注
标注圆和圆弧半径,一般选择标注样式的机械样式,若需要引出线标注小圆弧半径,则选择引线标注样式。其命令为:dimradius。
(7) 角度标注
角度标注测量两条直线或三个点之间的角度。其命令为:dimangular。
① 选择机械样式标注,执行【角度】标注,选择图形的两个直线段,移动鼠标,确定角度尺寸的位置,点击鼠标左键完成标注;如图所示。

② 选择机械样式标注,执行【角度】标注,直接回车选择“指定顶点”,选择直线的交点,然后选择直线段的两个端点,移动鼠标,确定角度尺寸的位置,点击鼠标左键完成标注;如图所示。

(8) 快速标注
在进行尺寸标注的时候,经常遇到同类型的系列尺寸标注,可以使用【快速标注】命令快速创建或编辑一系列标注。其命令为:qdim。
执行【快速标注】命令,在绘图区域选择要标注的对象,并按Enter键,可以完成“连续(C)/并列(S)/基线(B)/坐标(O)/半径(R)/直径(D)/基准点(P)/编辑(E)/设置(T)”等标注,如图所示。

4.3.3
编辑尺寸标注
尺寸标注之后,可以使用尺寸编辑命令来改变尺寸线的位置、尺寸数字的大小等。包括样式的修改和单个尺寸对象的修改。
通过修改尺寸样式,可以修改全部用该样式标注的尺寸。
单个尺寸对象的修改则主要使用编辑标注命令和编辑标注文字命令。
每个尺寸中尺寸线、尺寸界线、箭头、文本、颜色、比例等特性,一般可在特性选项板中修改尺寸标注内容以及各种特性。
编辑单个尺寸对象,选择尺寸对象后,单击右键,在弹出的快捷菜单中,选择需要更改的菜单,进行编辑。
将光标悬空放置在箭头处夹点,则此夹点变红,弹出快捷菜单,如图(a)所示,可选择其选项,如翻转箭头。将光标悬空放置在文字处夹点,则此夹点变红,弹出快捷菜单,如图(b)所示,可选择尺寸文字的放置方式。

选择翻转箭头选项,可以将箭头的方向(由内向外、由外向内)之间的转换,如图所示
![]()
例如:标注文字位置选择“随引线移动”时,其结果如图所示。

4.3.4
平面图形尺寸标注标注实例
绘制并标注扳手的平面图形,如图示。

1. 标注分析
1) 确定基准
长度基准为左侧竖直中心线,宽度基准为水平中心线,如图所示;

2) 标注尺寸
(1) 标注已知线段尺寸。
① 标注左侧定形尺寸φ44和R44;由于半径很多,R44和其他半径最后采用快速标注命令。
② 标注右侧定形尺寸φ15和R14和定位尺寸132,R14采用快速标注命令。
(2) 标注中间线段尺寸。
标注线性尺寸44,要使用倾斜命令
(3) 标注连接线段尺寸
标注三个R22和一个R33尺寸。
将此尺寸和前面的R44和R14 ,一起执行快速标注命令标注。
2. 操作步骤
步骤一:新建文件
(1) 打开建立的“扳手”文件。
(2) 选择【标注】图层。
步骤二:标注已知线段尺寸


步骤三:标注中间线段尺寸

步骤四:标注连接线段尺寸(和R44、R14)

步骤五:整理线段尺寸

4.3.5 关于快速标注
快速标注,可以将相同类型的尺寸一次标注,因此在标注图形过程中,可不必完全按照平面图形尺寸标注方式进行。
一般可在按照制图的方式的基础上,将CAD的命令与绘制图形及标注尺寸相结合。
第4节 轴承座视图尺寸标注
4.4.1组合体尺寸标注
1.
采用形体分析法将尺寸标注完整
首先确定基准,然后按形体分析法将组合体分解为若干基本体,再标注各个基本形体大小的尺寸(定形尺寸)以及确定这些基本形体之间相对位置的尺寸(定位尺寸);再进行尺寸标注综合调整,为了表示组合体外形的总长、总宽、总高,一般应标注出相应的总体尺寸;尺寸虽然已经标注完整,但考虑总体尺寸后,为了避免重复,还应作适当地调整。
2. 尺寸安排清晰
为了便于看图,使图面清晰,还应将某些尺寸的安排进行适当的调整。安排尺寸时应考虑以下几点:
(1) 尺寸应尽量标注在表示形体特征最明显的视图上。
(2) 同一形体的尺寸应尽量集中标注在一个视图上。
(3) 尺寸应尽量标注在视图的外部,以保持图形清晰。为了避免尺寸标注零乱,同一方向连续的几个尺寸尽量放在一条线上,使尺寸标注显得较为整齐
(4) 同轴回转体的直径尺寸尽量注在反映轴线的视图上。
(5) 尺寸应尽量避免注在虚线上。
(6) 尺寸线与尺寸界线,尺寸线、尺寸界线与轮廓线应尽量避免相交。
表为常见基本体的标注方法。

4.4.2轴承座视图尺寸标注实例
绘制轴承座的三视图,进行尺寸标注,如图所示。

1. 标注分析
(1) 确定基准
确定图形的尺寸基准有3个,分别为长度方向以对称中心面为基准,宽度方向以后端面为基准,高度方向以底面为基准,如图所示。

(2) 分析定形尺寸和定位尺寸
根据图形的形体分析,将轴承座分成4部分,分别确定每部分的定形尺寸和定位尺寸的数目,如图所示,分别标注定形尺寸和定位尺寸,最后调整尺寸完成标注。

2. 操作步骤
步骤一:打开文件。
(1)
打开轴承座的三视图;
(2)
选择【标注】图层。
步骤二:标注底板尺寸
(1)
标注底板的定形尺寸。

(3) 标注底板的定位尺寸

步骤三:标注圆筒尺寸
⑴ 标注圆筒的定形尺寸。

(2) 标注圆筒的定位尺寸

步骤四:标注支承板尺寸

步骤五:标注肋板尺寸

步骤六:确定总体尺寸,调整尺寸

步骤七:保存文件
4.4.3关于文字替代
输入“2*< >”(不包括引号,中间无空格),是输入文字替代的,即输入什么文字就显示什么文字,而其中的“< >(中间无空格)”是显示实际测量尺寸。
ü 实操练习
1.能够设置文字样式:字体、大小、宽度因子等。
2.能够设置标注样式:线、符号箭头、调整等。
3.能够建立父样式与子样式。
4.绘制下图,并利用建立好的标注样式与文本的样本文件进行标注。

5.
绘制导块的三视图,进行尺寸标注

ü 自测题
填空题
1.机械制图国标字体(GB/T
14691-1993)规定,汉字应写成 ,汉字高度h不应小于 。
2.
对于文字样式选择,若所选的字体前面带符号“@”时,标注的文字字头 。
3.标注角度的数字,一律写成 方向。
4.三视图标注,对于机械图样圆柱、圆锥等回转体的直径一般标注在 的视图上。
5.建立标注样式中父样式与子样式的区分:
6.标注对象在水平或垂直方向的尺寸,利用标注样式 。
答案:线性
7.标注对象在倾斜方向的尺寸,利用标注样式 。
答案:对齐
8.下图的标注方式为 。答案:基线

ü 学习目标
通过本章的学习,你应该能够:
l 掌握块的使用方法;
l 了解模型空间和图纸空间的概念及切换并掌握布局的创建以及图形的输出;
l 掌握标题栏的创建方法;
l 掌握机械零件图螺纹及轴承等的绘制与出图方法。
ü 学习内容
1.绘制螺纹
2.绘制键与销
3.绘制滚动轴承
4.图块与标题栏
5.图样打印
ü 学习重难点
重点:
l 了解AutoCAD的启动方法、AutoCAD的主要功能及工作界面;
l 掌握线命令的使用;
l 掌握管理AutoCAD图形缩放功能的使用;
l 掌握AutoCAD的命令执行方式及规则;
l 掌握图层的设置与使用方法,并建立基础样本文件;
l 熟练掌握坐标模式、对象捕捉、极轴追踪模式下绘制图形的方法。
难点:
l 熟练掌握坐标模式、对象捕捉、极轴追踪模式下绘制图形的方法。
l 建立基础样本文件。
l 图层的设置
ü 学习提示
|
内容 |
学习目的 |
学习要求 |
预备知识 |
|
第1节 绘制螺纹 |
掌握螺纹的绘制方法 |
l 掌握内、外螺纹规定画法。 l 掌握内外螺纹联接的规定画法。 l 掌握倒角命令的使用。 l 掌握“特性”选项板以及填充的使用 |
绘图与编辑命令 |
|
第2节 绘制键和销 |
掌握键和销的绘制方法 |
l 了解键以及键槽的选择。 l 掌握键联接的画法。 l 掌握销联接的画法。 |
填充命令 |
|
第3节 绘制滚动轴承 |
掌握滚动轴承绘制方法 |
l 熟练掌握图块的使用 l 绘制国标标题栏 |
比例缩放的使用 |
|
第4节 图块与标题栏 |
掌握图块的使用方法以及会创建标题栏 |
l 熟练使用线命令; l 利用各种坐标定义点的方法绘制图形 |
比例缩放的使用 |
|
第5节 图样打印 |
了解模型空间和图纸空间的概念及切换并掌握布局的创建以及图形的输出 |
l 掌握布局的创建和使用。 l 掌握页面设置管理器的使用。 l 掌握打印方式的使用。 l 绘制与输出机械零件图纸 |
图块的使用;标题栏的创建 |
ü 学习内容
第1节 绘制螺纹
5.1.1螺纹的画法
螺纹一般不按真实投影作图,而是采用机械制图国家标准规定的画法以简化作图过程。
1. 内、外螺纹的画法
小径一般近似地取大径的0.85倍绘制,可见的螺纹终止线用粗实线表示,牙底用约3/4圈细实线圆表示,倒角圆省略不画,剖面线要画到粗实线上
若零件螺孔没有剖切,螺纹的投影不可见时,所有图线均画成细虚线。
2. 螺纹联接(螺纹副)的画法
未剖时,旋合部分的所有图线均画细虚线,其余部分按照各自规定画法绘制。剖开时,螺纹旋合部分按外螺纹绘制,其余按照各自规定画法绘制
画图时必须注意:表示内、外螺纹大径的细实线和粗实线,以及表示内、外螺纹小径的粗实线和细实线应分别对齐;在剖切平面通过螺纹轴线的剖视图中,实心螺杆按不剖绘制。

5.1.2
螺纹及螺纹副绘制实例
(1) 已知:公称直径为24、螺纹长为30、倒角均为C2的粗牙普通外螺纹,中径和顶径公差为5g6g,要求:绘制主、左视图;
(2) 已知:公称直径为24、螺纹长为30、倒角均为C2的粗牙普通内螺纹,中径和顶径公差为6H,要求:绘制主、左视图;
(3) 已知:联接时旋合长度为20,要求:绘制联接状态主、左视图;

1. 绘图分析
(1)
绘制外螺纹的倒角采用倒角命令绘制, 1/4小圆需要旋转一定角度;
(2)
内螺纹可采用复制方式,然后修改来绘制;
(3)
螺纹副一般在装配图中绘制,先绘制外螺纹,再绘制内螺纹。

2. 操作步骤
步骤一:新建文件
步骤二:绘制外螺纹
(1)
绘制基准线

(2)
绘制外轮廓(大径)及螺纹终止线

(3)
单击【修改】工具栏【倒角】按钮;

(4)
选取小径为20,主视图采用直线命令绘制小径,左视图绘制圆,并剪去1/4;执行旋转命令,将3/4圆旋转10°。

(5)
绘制波浪线,标记断裂处,完成外螺纹绘制。

步骤三:绘制内螺纹
(1)
复制外螺纹图形,放入合适位置。
(2)
采用夹点拉伸方式,将线段拉长或缩短,修改主视图。

(3)
将大小径转换图层,并绘制钻孔结构

(4)
绘制辅助矩形,在矩形范围内填充剖面线后,删除矩形。

(5)
修改左视图圆

(6)
绘制轮廓线和波浪线

步骤四:绘制螺纹副
(1)
先绘制外螺纹

(2) 旋合部分按外螺纹绘制,其余部分按各自方式绘制,将主视图剩余部分绘制内螺纹,左视图增加内螺纹轮廓线。

(3)
绘制辅助线,作为连接件的分界轮廓,并填充内螺纹剖面线。

(4)
填充左视图外螺纹剖面线,注意方向要相反

(5)
选择标注图层,绘制剖切符号(调整线宽),注写剖切名称。

步骤五:保存文件
5.1.3
步骤点评
1.倒角命令
倒角命令,使用成角度的直线联接两个对象,它通常用于表示角点上的倒角边。可以倒角的对象有:直线、多段线、射线、构造线、三维实体。
执行倒角命令后,其操作同圆角命令。
提示:如果多段线包含的线段过短以至于无法容纳倒角距离,则不对这些线段倒角。
若按住Shift 键选择第二个对象时,两对象将延伸修剪相交到一点,相当于D为0。
2.关于填充
填充在工程设计中,常常要把某种图案(如机械设计中的剖面线、建筑设计中的建筑材料符号)填入某一指定的区域,这属于图案填充。
执行图案填充命令后,出现【图案填充和渐变色】对话框,在此可以设置要确定的三个内容:填充的图案、填充的区域、图案填充的方式。

①类型和图案:AutoCAD提供了实体填充及多种行业标准填充图案,可选择所需的图案。
②角度和比例
l角度:指定填充图案的角度。机械制图规定剖面线倾角为45°或135°,若选用图案ANSI31,应设置该值为0。
l比例:放大或缩小预定义图案,以设置图案图线的间距,以保证不同零件剖面线的不同。
③ 边界
可以从多个方法中进行选择以指定图案填充的边界。
l添加:拾取点:指定对象封闭的区域中的点。单击该按钮,系统临时关闭对话框,可以直接单击要填充的区域,这种方式默认确定填充边界要求图形必须是封闭的。
添加:选择对象:选择封闭区域的对象。根据构成封闭区域的选定对象确定边界。单击该按钮,系统临时关闭对话框,可根据需要选择对象,构成填充边界。
④选项
l 注释性:可以在打印中或者在屏幕上显示不同的比例的填充图案。
l 关联:控制图案填充或填充的关联。关联的图案填充若修改其边界时,图案将随边界更新而更新。
l 创建独立的图案填充:当同时确定几个独立的闭合边界时,图案是一个对象。通过创建独立的图案填充将图案变为各自独立的对象,相当于分别填充,得到各自的对象。
⑤孤岛
位于填充区域内部的封闭区域称为孤岛。孤岛内的封闭区域也是孤岛,孤岛可以相互嵌套。孤岛的显示样式有:普通、外部、忽略。
图案填充后,有时需要修改图案填充或图案填充的边界,可以选择填充图案,右击,在弹出的快捷菜单中选择“编辑图案填充”命令,将弹出【图案填充编辑】对话框,可以进行删除边界和重新创建边界,进行编辑。
提示:同一视图可采用一次性填充,且关联;不同视图其设置要一样,但要分别填充。
3.关于特性命令
【特性】选项板用于列出选定对象或对象集特性的当前设置,在这里修改任何可以通过指定新值进行修改的特性。
对于【特性】选项板,因为选择的对象的不同,而显示的内容而不同。
在【特性】选项板中修改选定对象的特性,如点的坐标、圆的面积或周长以及图层、线型、线型比例等,可以指定新值修改任何可以更改的特性,单击“...”按钮并在对话框中修改特性值。
例如:绘制周长为200mm和面积为500mm2的圆。
步骤:
① 执行圆的命令,在合适的位置绘制任意大小2个圆。
② 选择一个圆,单击特性按钮。
③ 在弹出的【特性】选项板中,在圆的面积或周长处修改数据即可。

第2节 绘制键和销
5.2.1键
1. 键及其联接
键用来联接轴和轴上的传动件(如带轮、齿轮等),起着传递扭矩和旋转运动,这种联接称为键联接。键的种类很多,常用的有普通平键、半圆键和钩头楔键三种,普通平键根据其头部结构的不同可以分为圆头普通平键(A型)、平头普通平键(B型)、和单圆头普通平键(C型)三种型式。

下表所示为常见键的标准编号、画法及标记示例,其他可参阅有关标准。

采用普通平键联接时,键的长度L和宽度b要根据轴的直径d和传递的扭矩大小从标准中选取适当值。


5.2.2销
销主要用来固定零件之间的相对位置,起定位作用,也可用于轴与轮毂的联接,传递不大的载荷,还可作为安全装置中的过载剪断元件。常用的销有圆柱销、圆锥销开口销等。

下表所示以上销的标准编号、画法及标记示例,其他可参阅有关标准。

销孔的标注以及圆柱销和圆锥销联接的画法如图所示。

5.3.3
键和销绘制实例
(1)
已知:轴和轮之间用A型普通平键联结,轴的直径为28mm,轮的宽度为48mm,要求:绘制键联接图。
(2)
已知:两厚度为10mm平板,用φ8的圆柱销定位,要求:绘制销定位图。

1.
绘图分析
根据轴的直径d=40mm,轮的宽度b=48mm,设计键及其键槽尺寸:
(1)
查表设计键为8×7×40,标记为GB/T1096 键 8×7×40
(2)
查表设计轴、毂的键槽尺寸。

2.
操作步骤
步骤一:新建文件
步骤二:绘制键联接图
(1)
绘制轴图形。

(2)绘制键图形。

(3) 绘制轮图形

(4) 整理,填充剖面线

步骤三:绘制销定位图
绘制销联接机件,并绘制φ8销孔

(2) 绘制销

步骤四:保存文件
第3节绘制滚动轴承
5.3.1滚动轴承
动轴承的结构及尺寸已经标准化,选用时可查阅有关标准。
滚动轴承的结构一般由四部分组成,有外圈、内圈和排列在内外圈之间的滚动体(有滚珠、滚柱、滚锥等)及保持架。一般外圈装在机器孔内,固定不动;内圈套在轴上,随轴转动。
国家标准GB/T4459.7—1998对滚动轴承的画法作了如下统一规定。
通用画法、特征画法、规定画法中的各种符号、矩形线框和轮廓线均用粗实线绘制。
绘制滚动轴承时,其矩形线框和外框轮廓的大小应与滚动轴承的外形尺寸(由手册中查出)一致,并与所属图样采用同一比例。
在剖视图中,用通用画法和特征画法绘制滚动轴承时,一律不画剖面符号(剖面线)。采用规定画法绘制时,轴承的滚动体不画剖面线,其各套圈可画成方向和间隔相同的剖面线。如轴承带有其他零件或附件(如偏心套、紧定套、挡圈等)时,其剖面线应与套圈的剖面线呈现不同方向或不同间隔。
按规定画法,在装配图中滚动轴承的保持架及倒角等可省略不画。规定画法一般绘制在轴的一侧,另一侧则按通用画法绘制。
其通用画法如图所示。

规定画法和特征画法以及应用见表。

5.3.2 深沟球轴承绘制实例
绘制如图所示深沟球轴承规定画法的图形。

1.
绘图分析
已知:深沟球轴承 6204 GB/T 276-1994
根据轴承代号查表确定轴承D、d、B的尺寸,其尺寸D=47mm、d=20mm、B=14mm,计算出A=13.5mm,绘制下半部分的通用画法可用比例缩放方式绘制。
2.
操作步骤
步骤一:新建文件
步骤二:绘制中心线和轮廓线。

步骤三:绘制滚动体

步骤四:整理后填充剖面线,选择图案为ANSI31,角度为0°,比例为0.75

步骤五:绘制特征画法:在矩形内绘制中间垂线,将两条直线的缩放比例为2/3

步骤六:保存文件
5.3.3步骤点评:
关于缩放比例
其输入缩放比例为2/3,可在输入法为键盘状态直接输入,可以自动计算。在以后输入数值的过程中,若是分数形式数值,均可输入分数。
第4节 图块与标题栏
5.4.1图块
比如下图:叉件类零件图里的粗糙度符号。

以制作表面结构符号来说明块的使用。
(1) 绘制粗糙度符号



(2) 设置属性

(3) 插入属性
点击【确定】按钮后,采用“捕捉自”方式,捕捉表面结构符号的斜线右上端点,其偏移为:@0.525,-0.7,确定块属性位置。
说明:其偏移的距离,为了其上划线和斜线顶点接近重合。
![]()
(4)创建块

(5)插入块
l单击【绘图】工具栏【插入块】按钮,弹出【插入】对话框。

![]()
(6)说明
图块是一组对象的集合,是一个对象,用户可以将常用的图形定义成图块,然后在需要的时候将图块插入到当前图形的指定位置上,并且可以根据需要调整其大小比例及旋转角度。符号集可作为单独的图形文件存储并编组到文件夹中。在设计时常常会遇到一些重复出现的图(如机械专业的表面结构、螺纹紧固件、键等),如果把这些经常出现的图做成图块,存放到一个图形库中,当绘制图形时,就可以作为图块插入到其他图形中,这样可以避免大量的重复工作,而且还可以提高绘图速度与质量。
属性是将数据附着到块上的标签或标记。属性中可包含的数据有零件编号、价格、注释和单位的名称等。
创建属性定义后,定义块时可以将属性定义当作一个对象来选择。插入块时都将用指定的属性文字作为提示。对于每个新的插入块,可以为其属性指定不同的值。
如果要同时使用几个属性,应先定义这些属性,然后将它们赋给同一个块,例如,可以将标题栏定义为块。
5.4.2标题栏
标题栏是由名称及代号、签字区、更改区和其他区组成的栏目,标题栏位于图纸的右下角,其格式和尺寸由GB/T 10609.1技术制图 标题栏规定,该标准提供的标题栏格式如图(a)所示。
每张图样中均应有标题栏,它的配置位置及栏中字体(签字除外)、线型等均应符合国家标准规定。其中材料标记应填写制造图示零件所使用的材料代号,图样名称填写所绘对象名称,图样代号按有关标准或规定索引方法填写。
在图样右下角按照国家标准绘制标题栏,在标题栏中填写比例,名称等各要求。

第5节 图样打印
5.5.1图形输出
1. 图形输出为图像文件
AutoCAD可以将绘制好的图形输出为通用的图像文件,选择下拉菜单:【文件】|【输出】,在弹出【输出数据】对话框,【保存类型】下拉列表中选择不同格式,保存不同类型图像文件。
2. 模型空间的图形输出
在模型空间中设计、绘制完图形后,依据所需出图的图纸尺寸计算绘图比例,用比例缩放(scale)命令将所绘图形按绘图比例整体缩放。执行打印命令,单击【确定】按钮输出图形。这种方法的缺点是当缩放图形时,所标注的尺寸值以及字体的高度也会跟着相应的变化,在出图前还需对尺寸标注样式中的线性比例进行调整以及设置字体的高度,很不方便。可以在屏幕左下角选择【注释性】按钮,将要放大的带注释性的标注、字体、块等都缩放为相同的比例,同时也要将边框或者图纸界限设置按相同比例进行缩放,这样也可以打印标准图纸。
3. 图纸空间的图形输出
在模型空间中设计、绘制完图形后,创建布局并在布局中进行页面设置,在【打印设备】选项卡中,选定打印设备和打印样式表;在【布局设置】选项卡中,设置图纸尺寸、打印范围、图纸方向,在【打印比例】选项组中,将比例设为1:1。
在图纸空间创建浮动视口,通过对象特性设置视口的标准比例(如1:10或2:1等),每个视口中都有独立的视口标准比例,这样读者就可以在一张图纸上用不同的比例因子生成许多视口,从而不必复制该几何图形或对其缩放便可直接打印。
5.5.2打印零件图
ü 实操练习
1.能独立完成螺纹的绘制
2.能独立完成键与销的绘制
3.能独立完成滚动轴承的绘制
4.掌握几种形式的比例缩放的使用
5.将内六角螺栓头创建成外部图块,并插入块。
6.能绘制标题栏
7.能将绘制好的图样打印输出
8.能对打印输出进行设置
ü 自测题
填空题
1. 选项板用于列出选定对象或对象集特性的当前设置,在这里修改任何可以通过指定新值进行修改。
2.执行图案填充命令后,出现图案填充和渐变色对话框,在此可以设置要确定的三个内容: 、 、 的方式
3.国家标准GB/T4459.7—1998对滚动轴承的画法作了如下统一规定:
通用画法、特征画法、规定画法中的各种符号、矩形线框和轮廓线均用 (粗实线/细实线)绘制。
简述题:
1.简述使用图块的步骤:
建议在学习的时候先熟读熟记文字教材,因为里面添加了课本上没有的东西,进一步学习课件整理知识点,再做一下每节习题及要求,总结自己错过的题,总结重点和难点。
考试时放平心态,祝你成功!
1、主教材
《AutoCAD案例教程—机械设计》李腾训
魏峥主编 出版社:人民邮电出版社,2014。
2、参考教材
[1]《AutoCAD2010 基础教程》,张云杰 张艳明 编著. 清华大学出版社,2010年。
[2]《计算机辅助绘图与设计—AutoCAD
2006》,赵国增编著.机械工业出版社,2008年。
第1章 AutoCAD设计基础
自测题
1.判断题
AutoCAD可以在文件类型中最好选择低版本类型()
答案:√
解析:高版本AutoCAD可以打开低版本的文件,反之不行.
2.填空题
【图层特性管理器】可以进行 、 、 等操作;用来设置图层的特性,允许建立多个图层,但绘图只能在 上进行。
答案:新建图层、删除图层、命名图层、当前层
实操题:
1.绘制一幅A4图纸边界的边框图形.
解析:1)A4长宽297*210
2)步骤一:启动AutoCAD
选择【开始】︱【程序】︱【AutoDesk】︱【AutoCAD2014】命令,或单击桌面快捷方式,启动AutoCAD
步骤二:新建文件
(1)
选择【文件】︱【新建】命令,出现【选择样板】对话框
(2)
系统打开绘图界面
步骤三:开始绘图
用矩形命令绘制A4边框图
单击【绘图】工具栏上的【矩形】按钮,第一点(0,0)第二点(297,210)
步骤四:保存(.dwt)
2.自己设计一些线性图形,绘制此图形;并根据需求执行各种缩放方式。
3.能根据要求,建立图层并设置图层特性颜色、线型、线宽等。
4.使用坐标模式绘制图形
实操题:
解析:启动AutoCAD→选择直线命令→输入坐标(@0,40)→输入坐标(@50,0)依次输入相对坐标
实操题:
5.能够合理选择适合题目要求的捕捉方式。
6.使用极轴追踪模式绘制图形
解析:(1)设置极轴追踪--增量角30
(2)绘制30°斜线时,捕捉到30°追踪线,再输入长度40即可。
第2章 绘制平面图形
自测题
1.名词解释
定形尺寸是指: 。
定位尺寸是指: 。
答案:确定平面图形上几何元素形状大小的尺寸;确定各几何元素相对位置的尺寸
3.
填空题
在编辑图形时,选择对象的方法 、 、 。
答案:使用拾取框光标、窗选、叉选
实操题:
1.利用直线命令绘制图a,并利用修剪命令,结果如图b

(a) (b)
解析:题目没有给出尺寸要求,学生可自定义尺寸,可利用对象捕捉与追踪功能绘制;绘制好图a,使用修剪命令选择所有对象(或中间相交部分对象),回车,在选择多余直线即可。
2.能正确使用椭圆、圆、圆弧命令画图
3.绘制下图:
阵列、矩形与多边形
解析:(1)打开极轴追踪、对象捕捉及捕捉追踪功能。设置极轴追踪角度增量为90°,设定对象捕捉方式为端点、交点,设置仅沿正交方向进行捕捉追踪。
(2)用LINE命令画两条定位线A、B,然后绘制圆,如图所示。
画定位线及圆
(3)用LINE及TRIM命令绘制线框C,如图所示。
画线框C
(4)用XLINE、OFFSET及TRIM命令绘制对象D、E、F等,如图4-4所示。
绘制对象D、E、F等
(5)用MIRROR命令沿水平线镜像图形,如图所示。
镜像图形
(6)画圆G,并创建其环形阵列,如图所示。
创建圆的环形阵列
(7)画五边形H,并创建其矩形阵列,如图所示。
创建五边形H的矩形阵列
4.综合利用所学命令绘制下图:
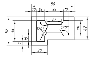
解析:
(1)打开极轴追踪、对象捕捉及捕捉追踪功能。设置极轴追踪角度增量为90°,设定对象捕捉方式为端点、交点,设置仅沿正交方向进行捕捉追踪。
(2)用LINE、OFFSET及LENGTHEN命令绘制圆的定位线,然后画圆,如图所示。
画圆的定位线及圆
(3)画圆弧A、B及直线C、D等,再修剪多余线条,如图所示。
画圆弧和直线
(4)用LINE命令画直线E、F等,再用CIRCLE、TRIM命令形成圆弧G、H,然后倒圆角和斜角,如图所示。
画圆弧、直线等
(5)用LINE、CIRCLE及TRIM命令绘制线框I,用XLINE、OFFSET及TRIM命令画线框J,如图所示。
画线框I、J
绘制下图

解析:
根据图形分析,图形绘制的难点在右侧的弧形槽部分,主要是R12圆弧与其他圆弧切点的位置在中心线上,R32圆弧上方切点也在中心线上,因此可以采用圆弧的绘制方式画出半圆及其连接弧。将极轴角设置为15°。
1.
尺寸分析
(1)
尺寸基准—如图(a)所示。
(2)
定位尺寸—如图(b)所示。
(3)
定形尺寸—如图(c)所示。
2. 线段分析
(1)
已知线段—如图
(a)所示。
(2)
中间线段—如图
(b)所示。
(3)
连接线段—如图(c)所示。

步骤一:新建文件
步骤二:绘制基准。

步骤三:绘制已知线段。

步骤四:绘制中间线段

步骤五:绘制连接线段
步骤六:保存文件
第3章 绘制形体视图
自测题
1.问答题:
简述绘制三视图中宽相等的绘制方式:
答案:
(1)采用45°斜线和辅助线形式,前面作图步骤均是如此方式。
(2)采用45°斜线和临时追踪点的方式;如确定图左视图的虚线的起点。
① 选择“虚线”图层。
② 执行直线命令。
③ 按住Ctrl键,右击,在弹出快捷菜单中选择“临时追踪点”。
④ 自动捕捉端点A,悬停一下;水平向右移动光标到45°斜线交点B单击,如图(a)所示。
2.简述题:
简述夹点的使用方法与功能:
解析:
单击某个夹点后,此夹点以红色小方框显示,该夹点被激活,此夹点又称为热点。激活夹点后,可以将激活的夹点(热点)为基点,对图形对象执行拉伸、平移、复制、缩放和镜像等基本修改操作。
3.判断题:
构造线是起始于指定点并且在两个方向上延伸无限延伸的直线。()
答案:
√
解析:
构造线创建直线的方法:指定两点,第一个点是构造线概念上的中点,第二点定义方向;可以连续绘制多条同心线。
可以绘制水平、垂直的直线,作为“长对正、高平齐”的基准。还可以绘制指定角度的斜线以及角的平分线。
实操题:
1、绘制立体的三视图。

解析:
(1)
将球体进行形体分析,可以分为3个基本体,分别为半球Ⅰ、长方体Ⅱ和圆柱Ⅲ;
(2)
在半球Ⅰ的中间切槽半圆柱Ⅳ;
(3)
在圆柱的正中向下钻一个孔Ⅴ;
如图所示,绘图过程中按照先叠加后切割方式绘制。

步骤一:新建文件
步骤二:绘制基本形体
(1) 绘制基准线和绘制45°线

(2)
绘制半球Ⅰ视图

(3)
绘制长方体Ⅱ视图

(4)
绘制圆柱Ⅲ视图

(5) 绘制切槽半圆柱Ⅳ投影

(6) 绘制钻孔
绘制钻孔Ⅴ投影

步骤四:检查修改

步骤五:保存文件
2.利用学过的命令绘制下列形体的视图,补画第三视图。
要求:能根据给定视图,补画第三视图即可。

分析:
看图方法:1.先看特征视图,并将特征视图划分成几个线框,想象该组合体可分为4个部分。
2.按照长对正、高平齐、宽相等的投影关系,从每一基本形体的特征视图开始,找出另外投影,想象出每一基本形体的形状
3.每个部分(基本形体或其简单组合)的形状和位置确定后,整个组合的形式也就确定了,从而想象出整体形状。

第4章 尺寸标注
自测题
填空题:
1.机械制图国标字体(GB/T
14691-1993)规定,汉字应写成 ,汉字高度h不应小于 。
答案:长仿宋体,3.5mm
2.对于文字样式选择,若所选的字体前面带符号“@”时,标注的文字字头 。
答案:向左
3.标注角度的数字,一律写成 方向。
答案:水平
4.三视图标注,对于机械图样圆柱、圆锥等回转体的直径一般标注在 的视图上。
答案:投影为直线
5.建立标注样式中父样式与子样式的区分:
答案:
在【创建新标注样式】对话框中,从【用于】列表选择【所有标注】选项,则建立一个父样式;如果选择用于除所有标注之外的其他标注类型,则建立的是子样式。若建立子样式,则不需要确定样式名称,是修改选择基础样式中的某一标注样式。
6.标注对象在水平或垂直方向的尺寸,利用标注样式 。
答案:线性
7.标注对象在倾斜方向的尺寸,利用标注样式 。
答案:对齐
8.下图的标注方式为 。答案:基线
实操题
1.能够设置文字样式:字体、大小、宽度因子等。
2.能够设置标注样式:线、符号箭头、调整等。
3.能够建立父样式与子样式。
4.绘制下图,并利用建立好的标注样式与文本的样本文件进行标注。
5.绘制导块的三视图,进行尺寸标注。

解析:
分析定形尺寸和定位尺寸
根据图形的形体分析,将导块切去4部分,分别确定每部分的定形尺寸和定位尺寸的数目,如图所示,分别标注定形尺寸和定位尺寸,最后调整尺寸完成标注。

步骤一:打开文件
(1)
打开导块的三视图。
(2)
选择【标注】图层。
步骤二: 标注立体Ⅰ尺寸。

步骤三: 标注切块Ⅱ尺寸。

步骤四: 标注切块Ⅲ尺寸
步骤五:标注切块Ⅳ尺寸
步骤六:标注挖孔Ⅴ尺寸
步骤七:整理调整尺寸

步骤八:保存文件。
第5章 绘制机械零件图
自测题
填空题
1. 选项板用于列出选定对象或对象集特性的当前设置,在这里修改任何可以通过指定新值进行修改。
答案:特性
2.执行图案填充命令后,出现图案填充和渐变色对话框,在此可以设置要确定的三个内容: 、 、 的方式。
答案:填充的图案、填充的区域、图案填充
3.国家标准GB/T4459.7—1998对滚动轴承的画法作了如下统一规定:
通用画法、特征画法、规定画法中的各种符号、矩形线框和轮廓线均用 (粗实线/细实线)绘制。
答案:粗实线
简述题:
1.简述使用图块的步骤:
答案:
绘制图形--创建图块--插入图块
实操题:
1.能独立完成螺纹的绘制
2.能独立完成键与销的绘制
实操题:
3.能独立完成滚动轴承的绘制
4.掌握几种形式的比例缩放的使用
5.将内六角螺栓头创建成外部图块,并插入块。
解析:利用圆与正多边形命令绘制
创建成块,拾取点A为基点;
插入
6.能绘制标题栏
7.能将绘制好的图样打印输出
8.能对打印输出进行设置